Quest XT, 2002
01- Cooling System
01- Crankcase
01- Crankshaft And Cylinder
01- Cylinder Head
01- Engine Cooling
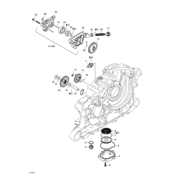
01- Engine Lubrication
01- Exhaust System
02- Air Intake System
02- Carburetor
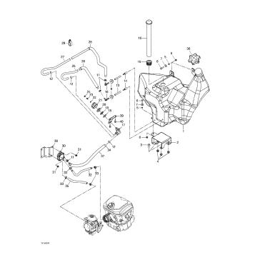
02- Fuel Tank
03- Magneto
04- Electric Starter
05- Belt And Engine Pulley
05- Drive System, Front
05- Drive System, Rear
05- Gear Shift
06- Front Brake
06- Rear Hydraulic Brake
07- Front Suspension
07- Steering System
08- Rear Suspension
09- Body And Accessories
09- Body And Accessories 2
09- Decals
09- Frame And Luggage Racks
09- Seat
09- Windshield And 09- Front Tray
10- Battery And Electrical Accessories
10- Main Harness And Electrical Accessories
Fuel Your Passion
Parts That Keep You Riding
Edit ride