- Partiron
- OEM Parts
- Can-Am
- ATV
- 2002
- Quest/Quest XT
- Quest, 2002
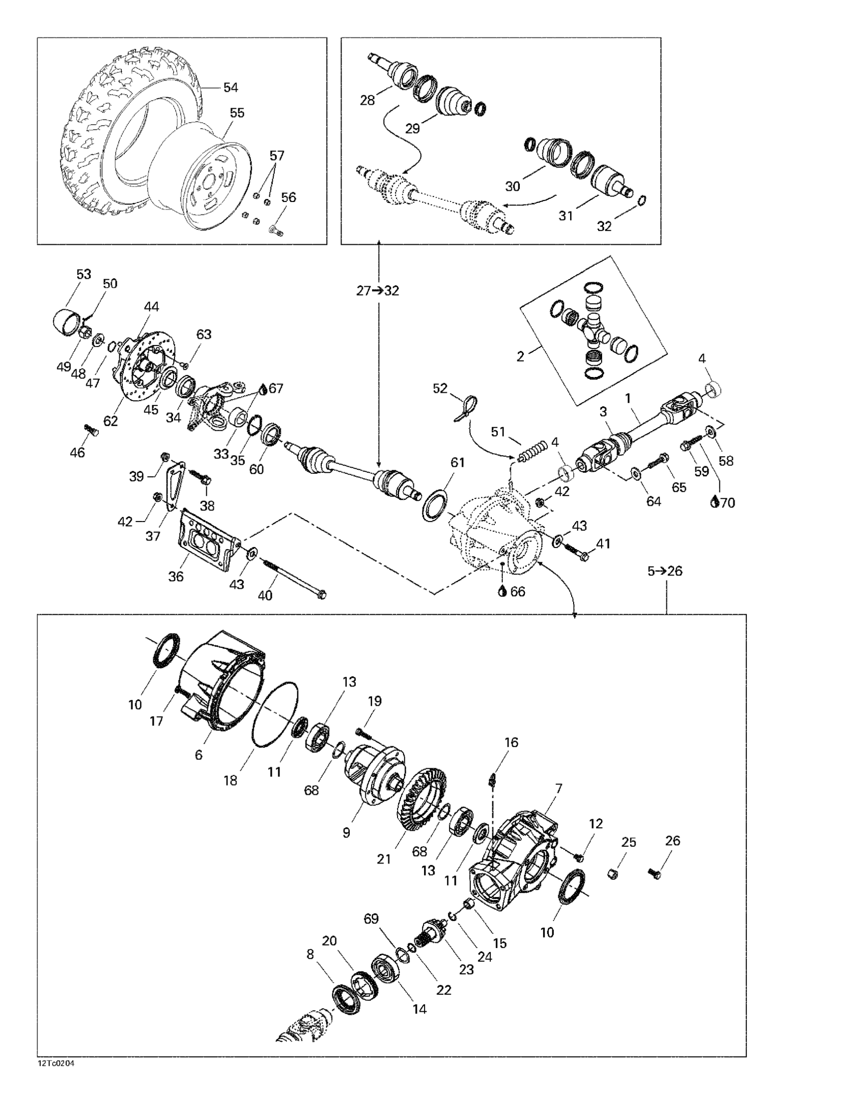
Drive System, Front
Can-Am Quest, 2002 Drive System, Front Diagram
#
1
Drive axle | Includes 1 - 2.
703500143
Unavailable
3
PROTECTOR - Call your local BRP dealership
705400051
Unavailable
5
Front differencial ass'y | Includes 5 - 27.
705400086
Unavailable
6
Front Cover
705400099
Unavailable
7
Differential Carrier
705500177
Unavailable
9
DIFFERENTIAL - Call your local BRP dealership
705400404
Unavailable
10
OIL SEAL - Call your local BRP dealership
705400019
Unavailable
16
VENT VALVE - Call your local BRP dealership | 4X4
705500893
Unavailable
19
RING GEAR SCREW - Call your local BRP dealership | 4X4
705400101
Unavailable
21
Crown Gear
705400103
Unavailable
23
GEAR, 10 TEETH - Call your local BRP dealership | 4X4
705500268
Unavailable
24
RETAINING RING - Call your local BRP dealership | 4X4
705500269
Unavailable
25
Protector Plug
705500246
Unavailable
26
Fill level plug
705500228
Unavailable
27
RH CV JOINT - Call your local BRP dealership | Includes 32 to 41
705400125
Unavailable
LH CV JOINT - Call your local BRP dealership | Includes 32 to 41
705400124
Unavailable
28
CV JOINT - Call your local BRP dealership
705400093
Unavailable
31
RH Plunging Joint
705400128
Unavailable
LH Plunging Joint
705400129
Unavailable
32
CIRCLIP - Call your local BRP dealership | 4X4
705400042
Unavailable
34
OIL SEAL - Call your local BRP dealership
705500099
Unavailable
36
Bracket (Differential)
705400068
Unavailable
37
RH Diffential Front Bracket
705400069
Unavailable
40
Flange Screw M10 X 200, Scotch Grip
250000024
Unavailable
41
HEX. FLANGED SCREW M10 X 60, SCOTCH GRIP - Call your local BRP dealership | 7413/7414. 7415/7416. 7417/7418.
207506044
Unavailable
43
Flat Washer
250200003
Unavailable
44
Wheel Hub Ass'y | Includes 50 - 52.
705500254
Unavailable
45
WEAR RING - Call your local BRP dealership
705500100
Unavailable
47
O-RING - Call your local BRP dealership
705500271
Unavailable
48
WASHER - Call your local BRP dealership
250200019
Unavailable
53
WHEEL CAP - Call your local BRP dealership
705400012
Unavailable
55
Front Rim
705400010
Unavailable
Front Rim | 7423/7424 (XT-Yellow/Jaune).
705400072
Unavailable
57
HEX. NUT - Call your local BRP dealership
705400013
Unavailable
59
HEX. FLANGED SCREW M8 X 16 - Call your local BRP dealership
207681686
Unavailable
61
Wear Ring
705400016
Unavailable
62
Brake disc 205 mm
705600168
Unavailable
67
Synthetic Grease, 400 G
293550010
Unavailable
