CT200A MOTORCYCLE, JPN, VIN# CT200-100001
FRAME
AIR CLEANER + TOOLS
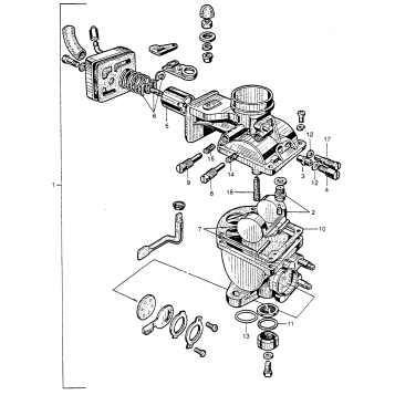
CARBURETOR
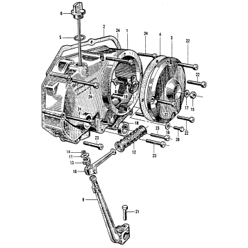
CRANKCASE + OIL PUMP
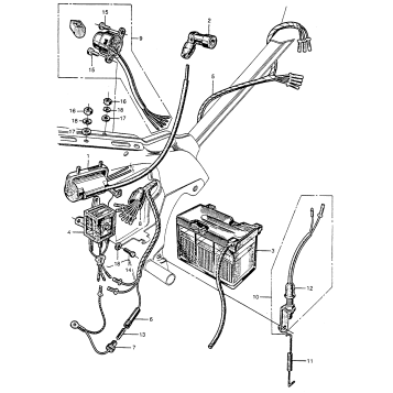
HEADLIGHT + TAILLIGHT
CAMSHAFT + VALVE
CLUTCH
CRANKSHAFT + PISTON
GEARSHIFT
TRANSMISSION
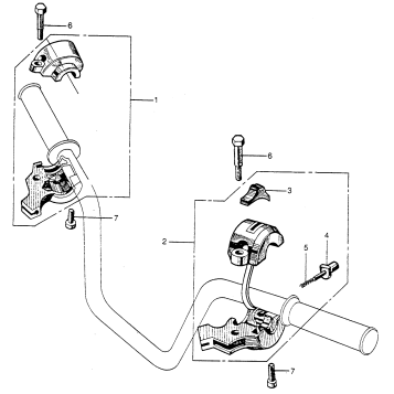
HANDLEBAR
FRONT SHOCK ABSORBER
FRONT WHEEL
MUFFLER
REAR SHOCK ABSORBER
REAR WHEEL
WIRE HARNESS
CYLINDER + CYLINDER HEAD
KICK STARTER
MAIN STAND + STEP BAR
LEFT CRANKCASE COVER + ALTERNATOR
SWINGARM + DRIVE CHAIN
FRONT FORK + HORN
FUEL TANK + LUGGAGE CARRIER
HORN SWITCH + TURN SIGNAL SWITCH
RIGHT CRANKCASE COVER + KICK STARTER ARM
Fuel Your Passion
Parts That Keep You Riding
Edit ride