- Partiron
- OEM Parts
- Honda
- MOTORCYCLE
- Models With No Year
- CT200A MOTORCYCLE, JPN, VIN# CT200-100001
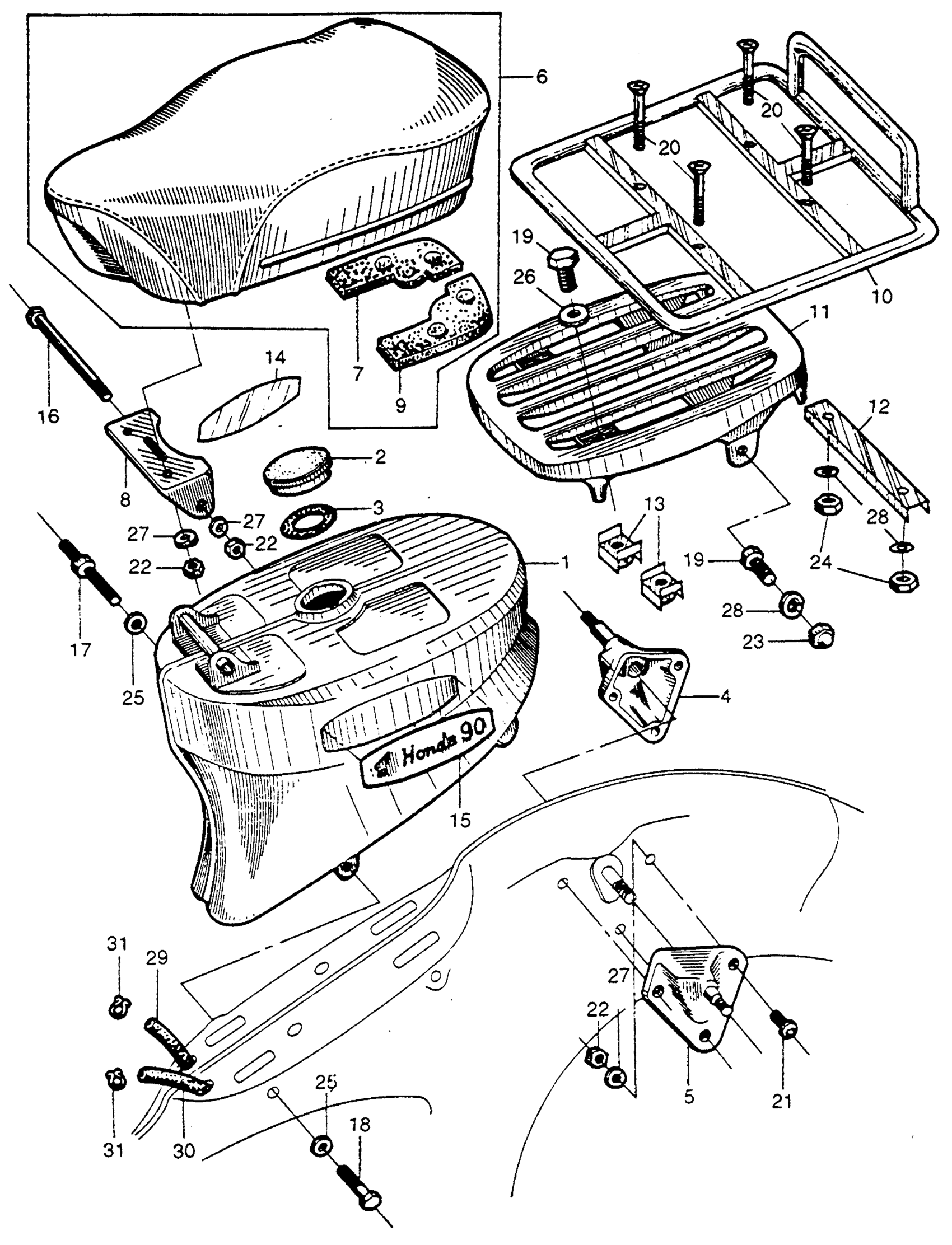
FUEL TANK + LUGGAGE CARRIER
Honda CT200A MOTORCYCLE, JPN, VIN# CT200-100001 FUEL TANK + LUGGAGE CARRIER Diagram
#
1
TANK, FUEL (NOT AVAILABLE)
17050-001-822Z
Unavailable
1
TANK, FUEL (NOT AVAILABLE) This part replaces 17500-001-822Z.
17050-001-822Z
Unavailable
2
CAP, FUEL FILLER This part replaces 17620-001-000.
17620-171-020
Unavailable
2
CAP, FUEL FILLER This part replaces 17620-041-000.
17620-171-020
Unavailable
2
CAP, FUEL FILLER This part replaces 17620-096-701.
17620-171-020
Unavailable
2
CAP, FUEL FILLER This part replaces 17620-096-702.
17620-171-020
Unavailable
2
CAP, FUEL FILLER This part replaces 17620-171-000.
17620-171-020
Unavailable
2
CAP, FUEL FILLER This part replaces 17620-171-010.
17620-171-020
Unavailable
4
BRACKET, R. RR. SUSPENSION BAR
50303-033-010
Unavailable
5
BRACKET, L. RR. SUSPENSION BAR (NOT AVAILABLE)
50306-033-010
Unavailable
6
SEAT ASSY. *NH1L* (BLACK) (NOT AVAILABLE)
77100-033-000A
Unavailable
7
RUBBER, R. SEAT STOPPER This part replaces 77151-001-000.
77151-041-000
Unavailable
7
RUBBER, R. SEAT STOPPER
77151-041-000
Unavailable
8
BRACKET, SEAT *NH1* (BLACK) (NOT AVAILABLE)
77300-001-020B
Unavailable
9
RUBBER, L. SEAT STOPPER
77152-041-000
Unavailable
10
LUGGAGE CARRIER, LARGE (NOT AVAILABLE)
81110-033-000
Unavailable
11
CARRIER, LUGGAGE (NOT AVAILABLE)
81200-033-000Z
Unavailable
12
PLATE, LARGE CARRIER SETTING
81221-033-000
Unavailable
13
BRACKET, LARGE CARRIER SETTING (NOT AVAILABLE)
81222-033-000
Unavailable
15
EMBLEM, L. FUEL TANK (NOT AVAILABLE)
87122-033-000
Unavailable
16
PIN, SEAT HINGE
90101-001-010
Unavailable
17
SCREW, FR. MUFFLER CLAMP (NOT AVAILABLE)
90111-001-810
Unavailable
20
SCREW, FLAT (8X40) (NOT AVAILABLE)
93600-08040-02
Unavailable
29
TUBE, FUEL (5.3X350) This part replaces 17631-087-000.
95001-55350-40
Unavailable
30
TUBE (5.5X350) This part replaces 15761-045-000.
95001-55000-40
Unavailable
30
TUBE (5.5X350) This part replaces 16968-205-222.
95001-55000-40
Unavailable
30
TUBE (5.5X350) This part replaces 16968-205-322.
95001-55000-40
Unavailable
30
TUBE (5.5X350) This part replaces 17645-259-010.
95001-55000-40
Unavailable
30
TUBE (5.5X350) This part replaces 95001-50000.
95001-55000-40
Unavailable
30
TUBE (5.5X350) This part replaces 95001-50000-90.
95001-55000-40
Unavailable
30
TUBE (5.5X350) This part replaces 95001-50100.
95001-55000-40
Unavailable
30
TUBE (5.5X350) This part replaces 95001-50110.
95001-55000-40
Unavailable
30
TUBE (5.5X350) This part replaces 95001-50180.
95001-55000-40
Unavailable
30
TUBE (5.5X350) This part replaces 95001-50200.
95001-55000-40
Unavailable
30
TUBE (5.5X350) This part replaces 95001-50220.
95001-55000-40
Unavailable
30
TUBE (5.5X350) This part replaces 95001-50250.
95001-55000-40
Unavailable
30
TUBE (5.5X350) This part replaces 95001-50450.
95001-55000-40
Unavailable
30
TUBE (5.5X350) This part replaces 95001-50620.
95001-55000-40
Unavailable
30
TUBE (5.5X350) This part replaces 95001-50830.
95001-55000-40
Unavailable
