- Partiron
- OEM Parts
- Honda
- ALL-TERRAIN VEHICLE
- Models With No Year
- ATC70A ALL-TERRAIN, JPN, VIN# ATC70-1000001
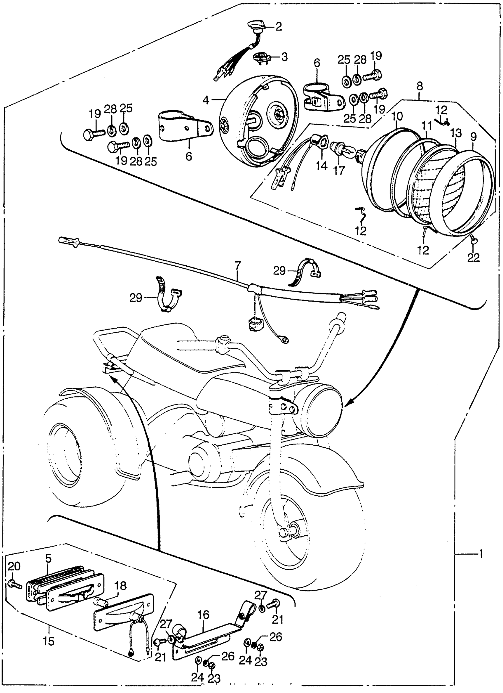
HEADLIGHT + TAILLIGHT
Honda ATC70A ALL-TERRAIN, JPN, VIN# ATC70-1000001 HEADLIGHT + TAILLIGHT Diagram
#
Description
Price
1
HEADLIGHT/TAILLIGHT KIT (NOT AVAILABLE)
04300-937-810
Unavailable
2
SWITCH ASSY., LIGHTING (NOT AVAILABLE)
04302-918-000
Unavailable
3
RUBBER, LIGHTING SWITCH (NOT AVAILABLE)
04303-918-000
Unavailable
4
CASE, HEADLIGHT *NH1* (BLACK) (NOT AVAILABLE)
04305-918-010B
Unavailable
5
LENS, TAILLIGHT (NOT AVAILABLE)
04306-918-000
Unavailable
6
STAY, HEADLIGHT *MRCR2* (CHROME PLATING) (NOT AVAILABLE)
04504-918-000XW
Unavailable
7
WIRE HARNESS (NOT AVAILABLE)
32100-937-810
Unavailable
8
HEADLIGHT ASSY. (NOT AVAILABLE) This part replaces 33100-061-810.
33100-150-003
Unavailable
8
HEADLIGHT ASSY.
33100-150-003
Unavailable
9
RIM, HEADLIGHT
33101-061-810
Unavailable
10
REFLECTOR, HEADLIGHT
33104-028-003
Unavailable
11
GASKET, HEADLIGHT LENS
33105-028-003
Unavailable
13
LENS, HEADLIGHT
33121-028-013
Unavailable
15
TAILLIGHT ASSY. (NOT AVAILABLE)
33700-918-670
Unavailable
16
PLATE, TAILLIGHT (NOT AVAILABLE)
33791-937-811
Unavailable
