- Partiron
- OEM Parts
- Honda
- MOTORCYCLE
- Models With No Year
- CT200A MOTORCYCLE, JPN, VIN# CT200-100001
HEADLIGHT + TAILLIGHT
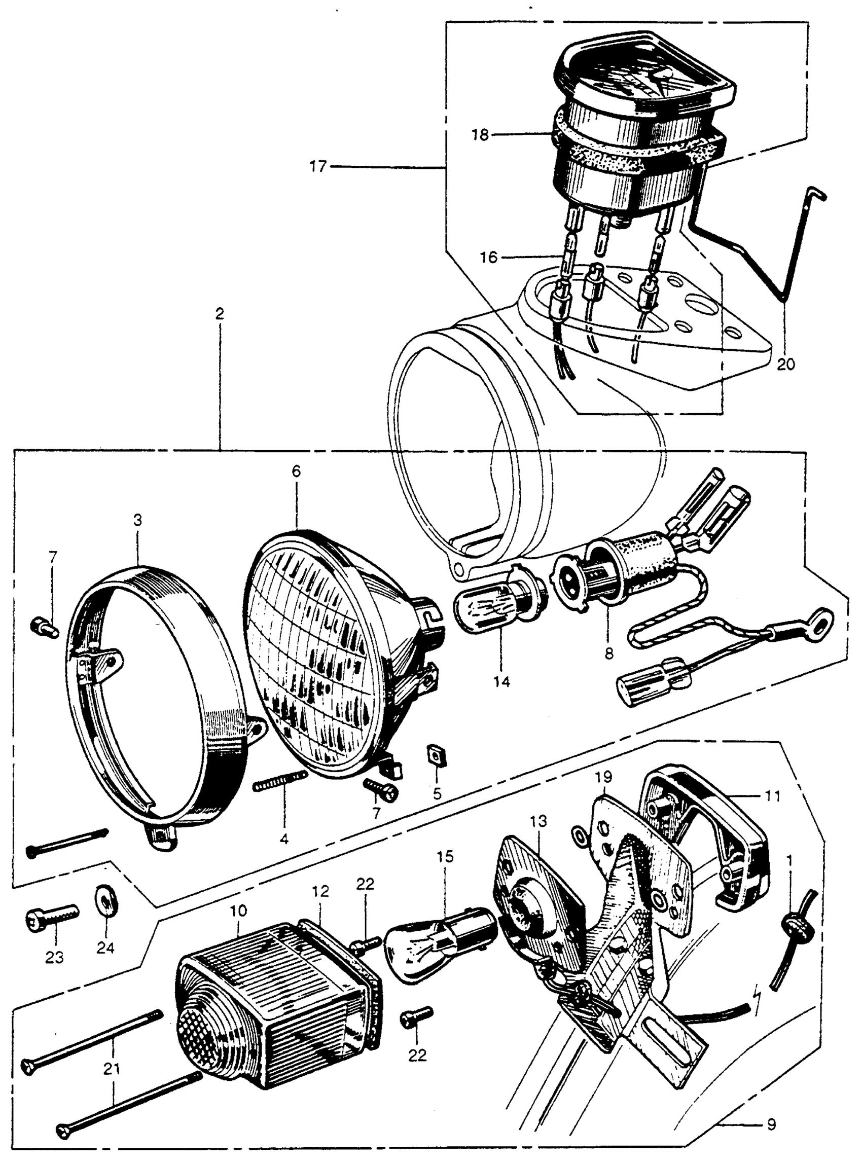
Honda CT200A MOTORCYCLE, JPN, VIN# CT200-100001 HEADLIGHT + TAILLIGHT Diagram
#
Description
Price
1
GROMMET, TAILLIGHT WIRE (NOT AVAILABLE)
32982-011-000
Unavailable
2
HEADLIGHT ASSY. (NOT AVAILABLE)
33100-030-810
Unavailable
3
RIM, HEADLIGHT (NOT AVAILABLE)
33101-030-810
Unavailable
4
SPRING, HEADLIGHT BEAM ADJUSTING (NOT AVAILABLE)
33107-001-020
Unavailable
5
NUT, HEADLIGHT BEAM ADJ.
33117-001-003
Unavailable
6
HEADLIGHT UNIT (NOT AVAILABLE)
33120-030-810
Unavailable
7
SCREW, HEADLIGHT (NOT AVAILABLE) This part replaces 33124-259-000.
33125-200-030
Unavailable
7
SCREW, HEADLIGHT (NOT AVAILABLE) This part replaces 33125-200-020.
33125-200-030
Unavailable
8
SOCKET, HEADLIGHT (NOT AVAILABLE)
33130-030-810
Unavailable
9
TAILLIGHT ASSY. (NOT AVAILABLE)
33700-033-000
Unavailable
10
LENS, TAILLIGHT
33701-268-680
Unavailable
11
PLATE, TAILLIGHT LENS HOLDER
33705-268-670
Unavailable
12
GASKET, TAILLIGHT LENS
33709-268-810
Unavailable
13
SOCKET ASSY., TAILLIGHT
33710-033-000
Unavailable
17
SPEEDOMETER ASSY. (NOT AVAILABLE) | Use up to Frame SN 104630
37200-030-810
Unavailable
17
SPEEDOMETER ASSY. (NOT AVAILABLE) | Use from Frame SN 104631
37200-033-000
Unavailable
18
GASKET, SPEEDOMETER (NOT AVAILABLE)
37242-030-000
Unavailable
19
BRACKET, TAILLIGHT (NOT AVAILABLE)
50215-001-821Z
Unavailable
20
SPRING, SPEEDOMETER SETTING (NOT AVAILABLE)
61321-030-000
Unavailable
21
SCREW, PAN (3X60) (NOT AVAILABLE)
93500-03060-0B
Unavailable
21
SCREW, PAN (3X60) (NOT AVAILABLE) This part replaces 93500-03060-02.
93500-03060-0B
Unavailable
