CL360K1A MOTORCYCLE, JPN, VIN# CL360-2000001
AIR CLEANER + TOOLS
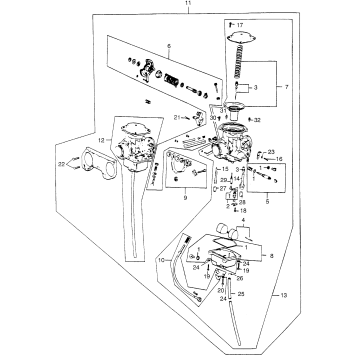
CARBURETOR
BRAKE PEDAL + STAND + STEP
CAM CHAIN + TENSIONER
CAMSHAFT + VALVE
CLUTCH
CRANKSHAFT + PISTON
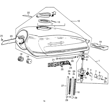
FUEL TANK
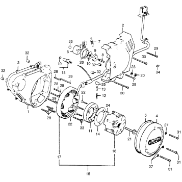
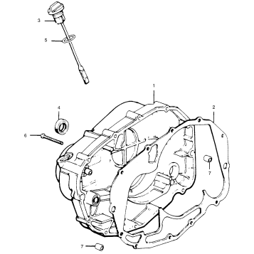
RIGHT CRANKCASE COVER
TRANSMISSION
HANDLEBAR
MUFFLER
REAR WHEEL
SEAT
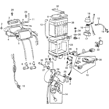
BATTERY
FRONT FORK
CYLINDER + CYLINDER HEAD
STARTING MOTOR
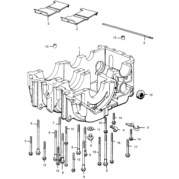
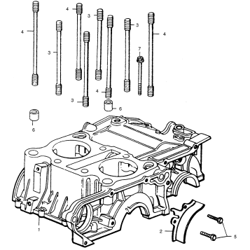
LOWER CRANKCASE
UPPER CRANKCASE
OIL PUMP + OIL FILTER
SPEEDOMETER + TACHOMETER
CYLINDER HEAD COVER + POINTS + ADVANCER
FRAME + WIRE HARNESS
SWINGARM + REAR SHOCK ABSORBER
FRONT FENDER + FRONT WHEEL
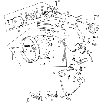
HEADLIGHT + FRONT TURN SIGNAL
KICK STARTER + SHIFT SPINDLE + SHIFT DRUM
LEFT CRANKCASE COVER + ALTERATOR
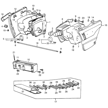
REAR FENDER + TAILLIGHT + RIGHT REAR TURN SIGNAL
Fuel Your Passion
Parts That Keep You Riding
Edit ride