- Partiron
- OEM Parts
- Honda
- MOTORCYCLE
- Models With No Year
- CL360A MOTORCYCLE, JPN, VIN# CL360-1000001
STARTING MOTOR
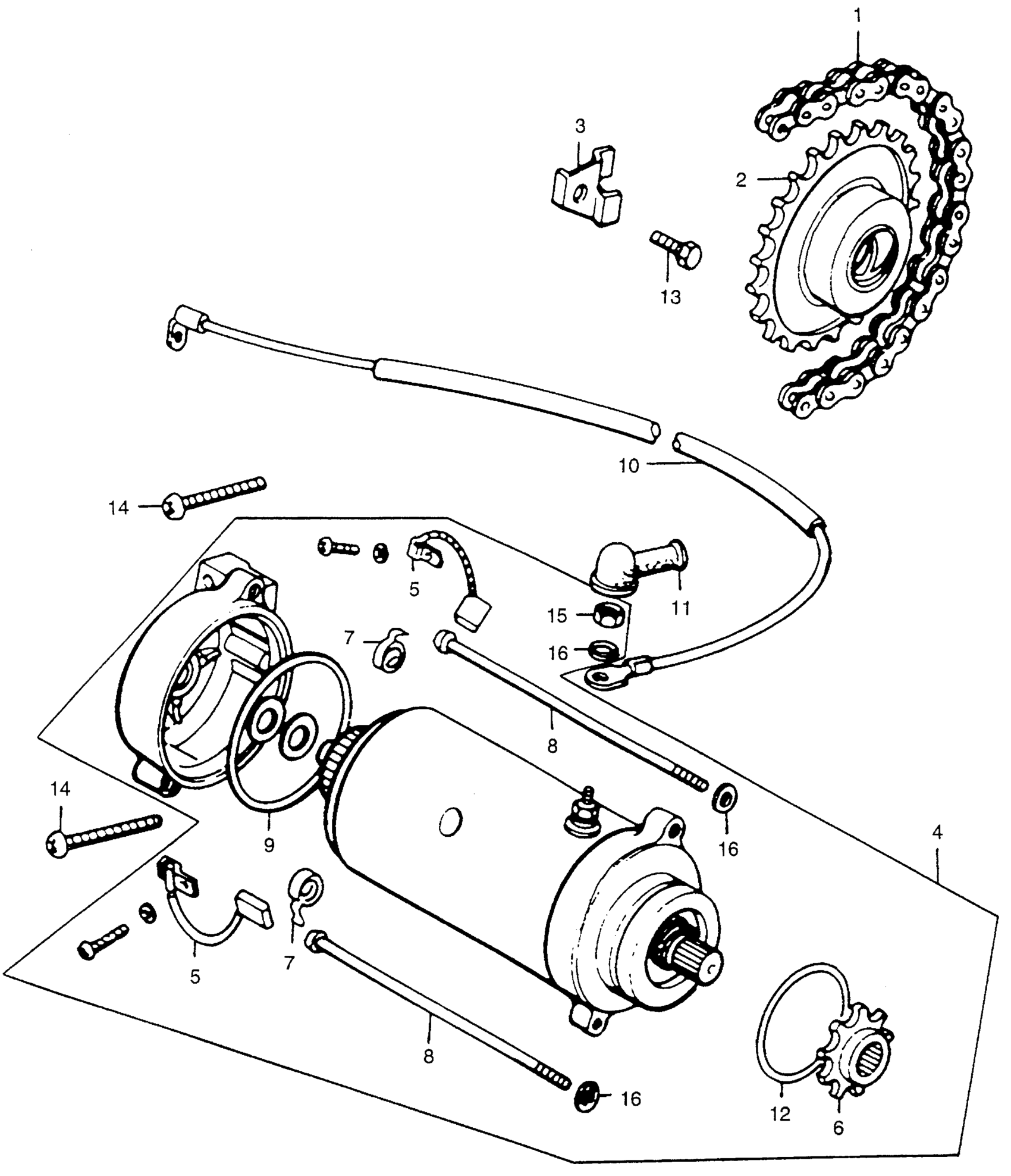
Honda CL360A MOTORCYCLE, JPN, VIN# CL360-1000001 STARTING MOTOR Diagram
#
Description
Price
1
CHAIN, STARTER (DID219-54L) (DAIDO) This part replaces 28101-286-003.
28101-402-003
Unavailable
1
CHAIN, STARTER (DID219-54L) (DAIDO)
28101-402-003
Unavailable
2
SPROCKET, STARTING (NOT AVAILABLE)
28110-286-010
Unavailable
3
PLATE, STARTING SPROCKET SETTING (NOT AVAILABLE)
28117-286-010
Unavailable
4
MOTOR ASSY., STARTER This part replaces 31200-286-168.
31200-286-405
Unavailable
5
BRUSH SET (MITSUBA)
31201-230-174
Unavailable
6
SPROCKET, STARTER MOTOR (MITSUBA) (NOT AVAILABLE)
31202-286-158
Unavailable
8
BOLT, SETTING (NOT AVAILABLE)
31205-286-158
Unavailable
9
O-RING (60X1.4) This part replaces 31206-286-158.
31206-402-008
Unavailable
9
O-RING (60X1.4)
31206-402-008
Unavailable
10
CABLE, STARTER MOTOR (NOT AVAILABLE)
32410-286-000
Unavailable
