- Partiron
- OEM Parts
- Honda
- MOTORCYCLE
- Models With No Year
- CL360A MOTORCYCLE, JPN, VIN# CL360-1000001
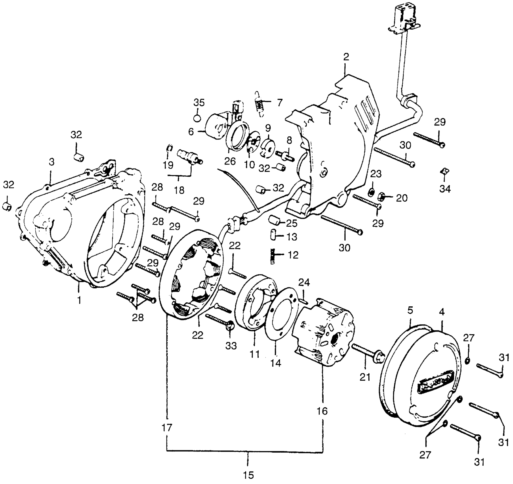
LEFT CRANKCASE COVER + ALTERATOR
Honda CL360A MOTORCYCLE, JPN, VIN# CL360-1000001 LEFT CRANKCASE COVER + ALTERATOR Diagram
#
Description
Price
1
COVER, L. CRANKCASE (NOT AVAILABLE)
11341-369-000
Unavailable
2
COVER, L. RR. CRANKCASE (NOT AVAILABLE) | Use up to Engine SN 1009930 This part replaces 11351-369-000.
11351-369-010
Unavailable
2
COVER, L. RR. CRANKCASE (NOT AVAILABLE)
11351-369-010
Unavailable
3
GASKET, L. This part replaces 11395-369-000.
11395-369-306
Unavailable
4
COVER, ALTERNATOR (NOT AVAILABLE)
11431-369-000
Unavailable
5
GASKET, ALTERNATOR COVER This part replaces 11691-286-000.
11691-286-306
Unavailable
5
GASKET, ALTERNATOR COVER
11691-286-306
Unavailable
6
LEVER, CLUTCH (NOT AVAILABLE)
22810-286-000
Unavailable
7
SPRING, CLUTCH LEVER
22815-286-010
Unavailable
8
SCREW, CLUTCH LIFTER ADJUSTING (NOT AVAILABLE)
22837-286-010
Unavailable
9
CAM, CLUTCH ADJ.
22841-286-010
Unavailable
10
RETAINER, CLUTCH BALL (NOT AVAILABLE)
22860-286-000
Unavailable
11
CLUTCH, STARTER (OUTER) (NOT AVAILABLE)
28120-286-000
Unavailable
15
ALTERNATOR ASSY. (DENSO) (NOT AVAILABLE)
31100-369-004
Unavailable
16
ROTOR (DENSO) (NOT AVAILABLE)
31101-369-004
Unavailable
17
ALTERNATOR ASSY. (DENSO) (NOT AVAILABLE) This part replaces 31102-369-004.
31100-369-004
Unavailable
18
SWITCH, NEUTRAL (NOT AVAILABLE)
35750-333-023
Unavailable
19
O-RING (NOT AVAILABLE)
35751-333-003
Unavailable
20
NUT A, VALVE ROCKER ARM LOCK (NOT AVAILABLE)
90011-286-000
Unavailable
21
BOLT, ROTOR SETTING (NOT AVAILABLE)
90014-286-000
Unavailable
22
SCREW, FLAT (6X25)
90091-286-000
Unavailable
23
WASHER (8MM) This part replaces 90445-286-000.
90451-KAF-000
Unavailable
23
WASHER (8MM)
90451-KAF-000
Unavailable
24
PIN, KNOCK (6X17.5) (NOT AVAILABLE)
90704-259-000
Unavailable
26
DUST SEAL (NOT AVAILABLE)
91210-286-003
Unavailable
