- Partiron
- OEM Parts
- Honda
- MOTORCYCLE
- Models With No Year
- CA175K3A MOTORCYCLE, JPN, VIN# CD175-2005045
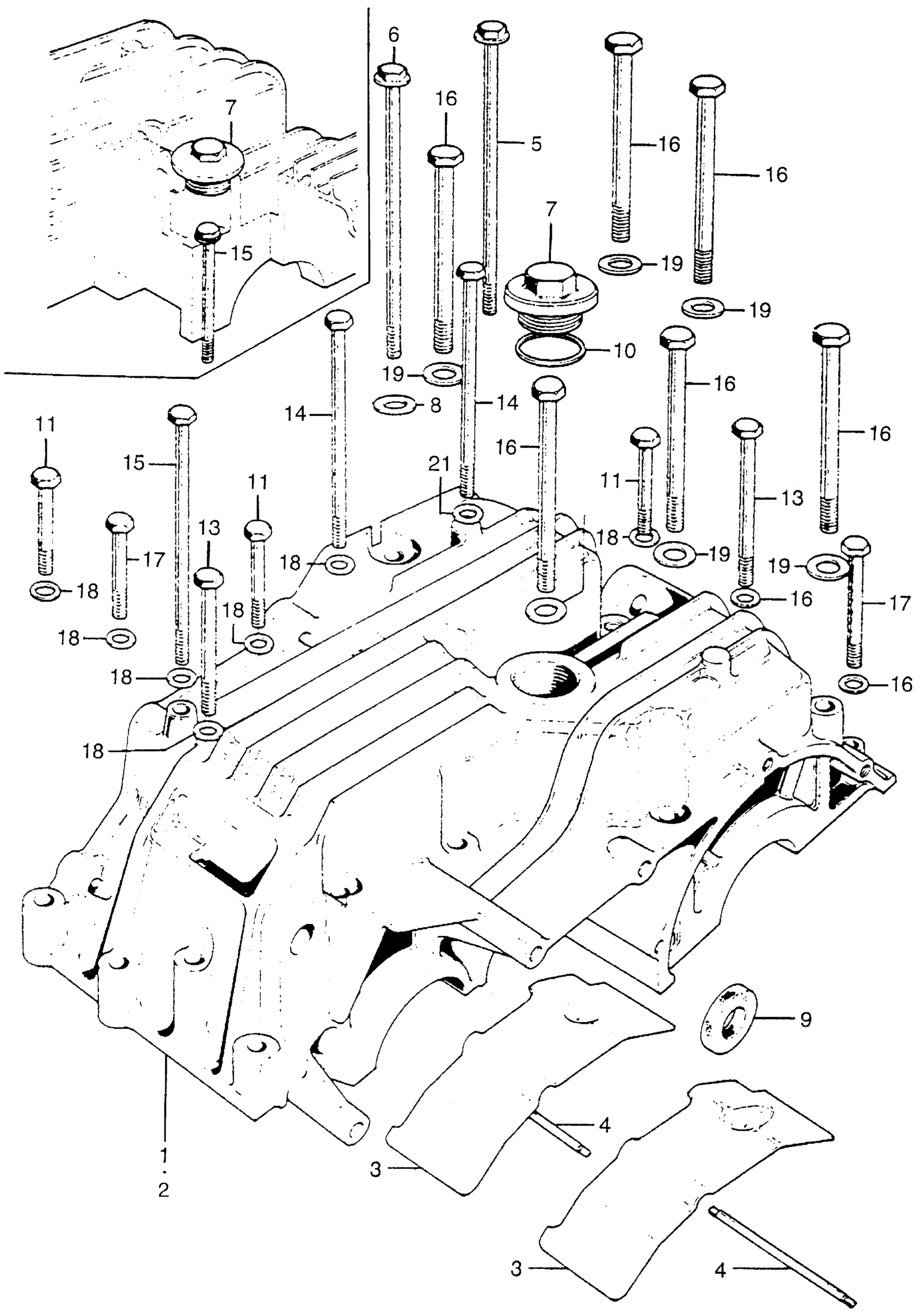
LOWER CRANKCASE
Honda CA175K3A MOTORCYCLE, JPN, VIN# CD175-2005045 LOWER CRANKCASE Diagram
#
Description
Price
1
CRANKCASE (LOWER) | Use up to Engine SN 4006450
11200-302-030
Unavailable
2
CRANKCASE (LOWER) (NOT AVAILABLE) | Use from Engine SN 4006450 This part replaces 11200-302-040.
11200-354-000
Unavailable
2
CRANKCASE (LOWER) (NOT AVAILABLE) | Use from Engine SN 4006450
11200-354-000
Unavailable
3
SEPARATOR, OIL (NOT AVAILABLE)
11751-216-000
Unavailable
4
BAR, OIL SEPARATOR SETTING (NOT AVAILABLE)
11781-302-000
Unavailable
5
BOLT, HEX. (8X130)
90002-302-000
Unavailable
6
BOLT, HEX. (8X135) (NOT AVAILABLE)
90003-302-000
Unavailable
7
BOLT, DRAIN VALVE (NOT AVAILABLE)
90013-312-000
Unavailable
14
BOLT, HEX. (6X56) (NOT AVAILABLE) This part replaces 92000-06056.
92000-06056-0A
Unavailable
14
BOLT, HEX. (6X56) (NOT AVAILABLE)
92000-06056-0A
Unavailable
15
BOLT, HEX. (6X95) (SOURCE: VINTAGE PARTS INC.)
92000-06095
Unavailable
