CB350K3A MOTORCYCLE, JPN, VIN# CB350-3000001
FRAME
AIR CLEANER
CAM CHAIN TENSIONER
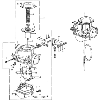
CARBURETOR
CAMSHAFT + VALVE
CLUTCH
FRONT WHEEL + AXLE
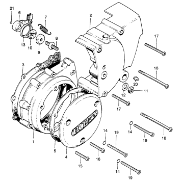
RIGHT CRANKCASE COVER
TRANSMISSION
CRANKSHAFT
REAR WHEEL
TAILLIGHT
TURN SIGNAL
KICK STARTER
STARTING MOTOR
LOWER CRANKCASE
UPPER CRANKCASE
CB MUFFLER
HEADLIGHT + HEADLIGHT CASE
ALTERNATOR + NEUTRAL SWITCH
CYLINDER + PISTON
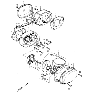
FRONT BRAKE + PANEL
GEARSHIFT SPINDLE + CHANGE PEDAL
HANDLEBAR + TOP BRIDGE
SPEEDOMETER + TACHOMETER
REAR BRAKE PANEL
CYLINDER HEAD COVER + CAM CASE
LEFT CRANKCASE COVER + REARCOVER
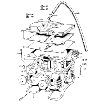
OIL FILTER + OIL PUMP
BRAKE PEDAL + STEP + STAND
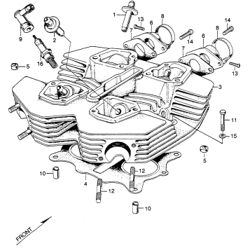
CYLINDER HEAD + SPARK PLUG
CYLINDER HEAD SIDE COVER + POINTS + ADVANCER
DRIVE CHAIN + CASE + SWINGARM
LEFT HANDLE SWITCH + CABLE
SHIFT DRUM + SHIFT FORK
TOOL
WIRE HARNESS + IGNITION COIL + SWITCH
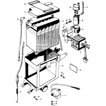
BATTERY + SELEN + MAGNETIC SWITCH
FRONT FENDER K2-K3
REAR FENDER + TOOL BOX K3-K4
REAR SHOCK ABSORBER K2-K3
RIGHT HANDLE SWITCH + CABLE
STEERING STEM K2-K3
CB FRONT FORK K3
FUEL TANK + FUEL VALVE K3
SEAT K3
Fuel Your Passion
Parts That Keep You Riding
Edit ride