- Partiron
- OEM Parts
- Honda
- MOTORCYCLE
- Models With No Year
- CB350A MOTORCYCLE, JPN, VIN# CB350-1000001
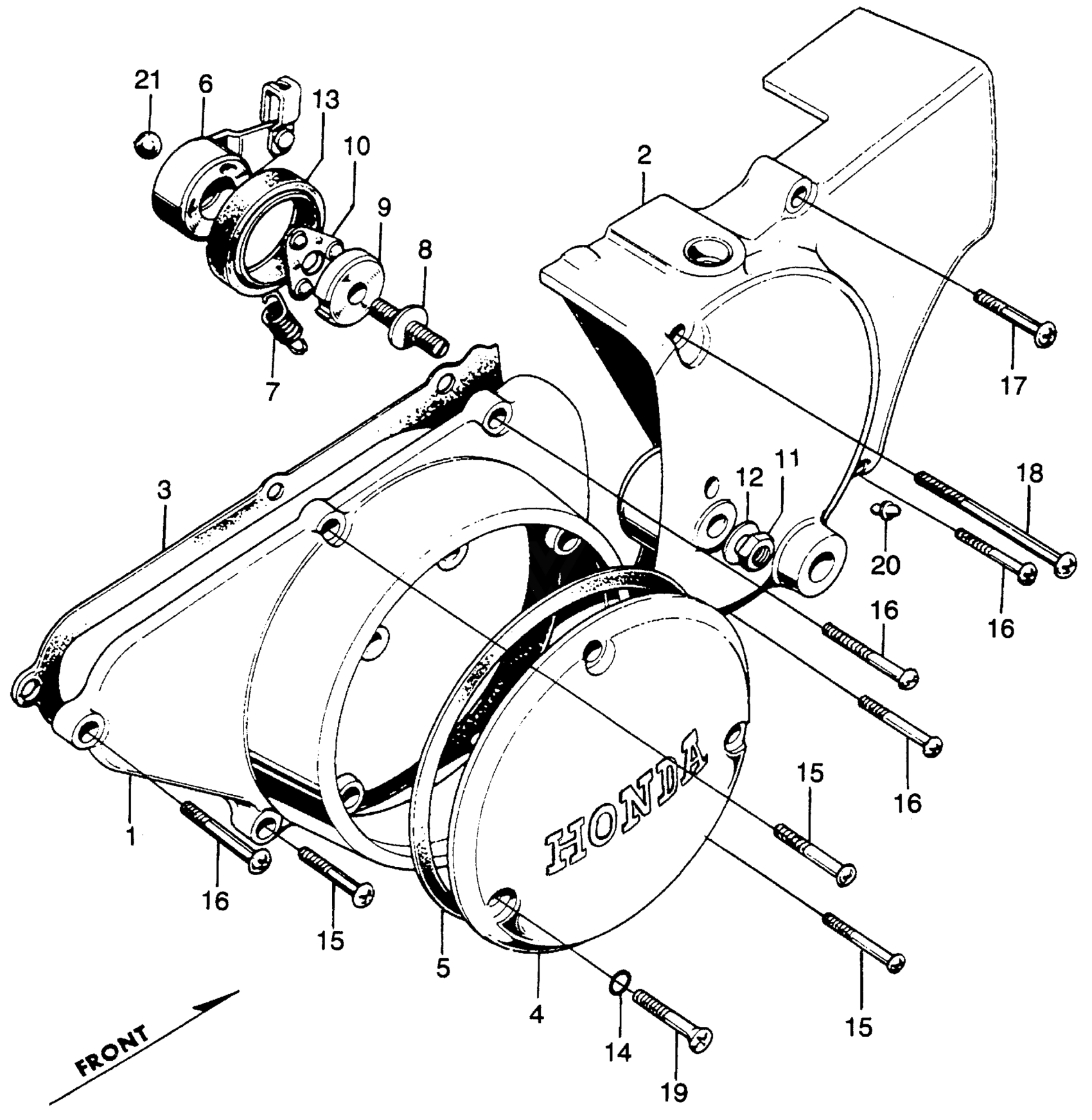
LEFT CRANKCASE COVER + REARCOVER
Honda CB350A MOTORCYCLE, JPN, VIN# CB350-1000001 LEFT CRANKCASE COVER + REARCOVER Diagram
#
Description
Price
1
COVER, L. CRANKCASE
11341-286-020
Unavailable
2
COVER, L. RR. CRANKCASE
11351-286-060
Unavailable
3
GASKET, CRANKCASE | Use up to Engine SN 1116305 This part replaces 11395-286-020.
11395-286-306
Unavailable
3
GASKET, CRANKCASE | Use up to Engine SN 1116305 This part replaces 11395-286-030.
11395-286-306
Unavailable
3
GASKET, CRANKCASE | Use up to Engine SN 1116305 This part replaces 11395-286-040.
11395-286-306
Unavailable
3
GASKET, CRANKCASE | Use up to Engine SN 1116305
11395-286-306
Unavailable
3
GASKET, CRANKCASE
11395-286-306
Unavailable
4
COVER, ALTERNATOR
11431-286-010
Unavailable
5
GASKET, ALTERNATOR COVER This part replaces 11691-286-000.
11691-286-306
Unavailable
5
GASKET, ALTERNATOR COVER
11691-286-306
Unavailable
6
LEVER, CLUTCH (NOT AVAILABLE)
22810-286-000
Unavailable
7
SPRING, CLUTCH LEVER
22815-286-010
Unavailable
8
SCREW, CLUTCH LIFTER ADJUSTING (NOT AVAILABLE)
22837-286-010
Unavailable
9
CAM, CLUTCH ADJ.
22841-286-010
Unavailable
10
RETAINER, CLUTCH BALL (NOT AVAILABLE)
22860-286-000
Unavailable
11
NUT A, VALVE ROCKER ARM LOCK (NOT AVAILABLE)
90011-286-000
Unavailable
12
WASHER (8MM) This part replaces 90445-286-000.
90451-KAF-000
Unavailable
12
WASHER (8MM)
90451-KAF-000
Unavailable
13
DUST SEAL (NOT AVAILABLE)
91210-286-003
Unavailable
