LT-F250 (1993)
AIR CLEANER (J/K/L)
AIR CLEANER (M/N/P/R)
BATTERY
CAM CHAIN
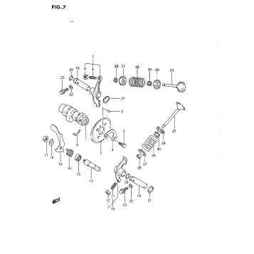
CAM SHAFT-VALVE
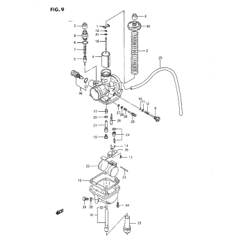
CARBURETOR (J/K)
CARBURETOR (L/M/N/P/R)
CARRIER
CLUTCH
COOLING FAN (J/K/L/M:OPTIONAL)
COOLING FAN (N/P/R:OPTIONAL)
CRANKCASE
CRANKCASE COVER
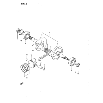
CRANKSHAFT
CYLINDER HEAD
CYLINDER--
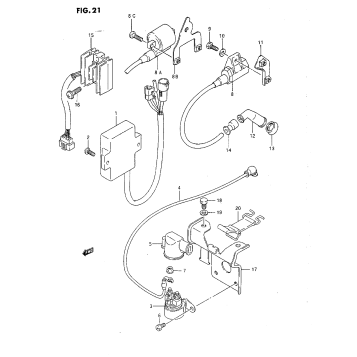
ELECTRICAL
FOOTREST
FRAME
FRONT BRAKE HOSE
FRONT FENDER (J/K/L)
FRONT FENDER (M/N/P/R)
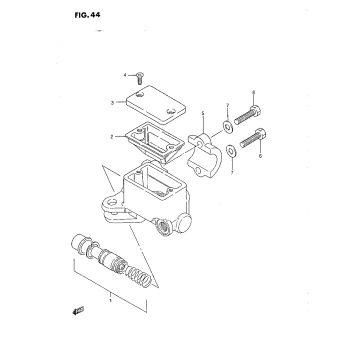
FRONT MASTER CYLINDER (M/N/P/R)
FRONT MASTER CYLINDER (modeo J/K/L)
FRONT SUSPENSION ARM
FRONT WHEEL
FRONT WHEEL BRAKE (J/K/L)
FRONT WHEEL BRAKE (M/N/P/R)
FUEL TANK
GEAR SHIFTING
HANDLE SWITCH (J/K/L)
HANDLE SWITCH (M/N/P/R)
HANDLEBAR-CONTROL CABLE (J/K)
HANDLEBAR-CONTROL CABLE (L/M/N/P/R)
HEADLAMP
HEADLAMP HOUSING
KNUCKLE COVER (OPTIONAL)
LABEL
MAGNETO
MUFFLER (J/K)
MUFFLER (L)
MUFFLER (M/N/P/R)
ODOMETER
OIL PUMP-FUEL PUMP
OPTIONAL
REAR BRAKE
REAR FENDER (J/K/L)
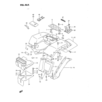
REAR FENDER (M/N/P/R)
REAR SUSPENSION ARM
REAR WHEEL
RECOIL STARTER
SEAT
STARTER CLUTCH
STARTING MOTOR
STEERING SHAFT
TAIL LAMP
TIE ROD
TRANSMISSION (1)
TRANSMISSION (2)
TRANSMISSION (3)
TRANSMISSION LEVER
WIRING HARNESS
Fuel Your Passion
Parts That Keep You Riding
Edit ride