- Partiron
- OEM Parts
- Suzuki
- All Terrain Vehicle
- 1993
- LT-F250 (1993)
ELECTRICAL
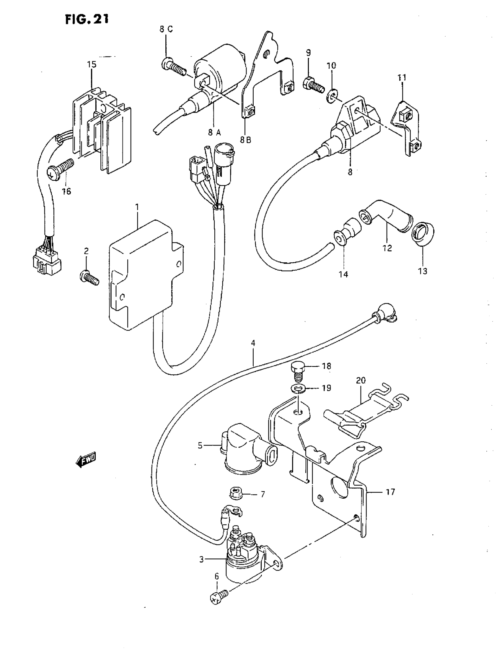
Suzuki LT-F250 (1993) ELECTRICAL Diagram
#
Description
Price
1
C.D.I UNIT | MODEL J/K
32900-19B00
Unavailable
1
C.D.I UNIT | MODEL L This part replaces 32900-19B10.
32900-19B20
Unavailable
1
C.D.1 UNIT | MODEL M/N/P/R
32900-19B20
Unavailable
8
BRACKET, IGNITION COIL | MODEL L/M/N/P/R
33416-19B00
Unavailable
11
HOLDER, IGNITION COIL | MODEL J/K
47410-19B20
Unavailable
20
BAND, TOOL
09462-00090
Unavailable
