LT-A750XM1 (2021)
2ND AIR (P03,P28)
2ND AIR (P33)
AIR CLEANER
BATTERY
BELT COOLING DUCT
BRAKE PEDAL
CAM CHAIN
CAMSHAFT/VALVE
CARRIER (P03,P33)
CARRIER (P28)
CRANK BALANCER
CRANKCASE
CRANKCASE COVER
CRANKSHAFT
CYLINDER
CYLINDER HEAD
CYLINDER HEAD COVER
ELECTRICAL (P03,P28)
ELECTRICAL (P33)
EVAP SYSTEM (P33)
FINAL BEVEL GEAR (FRONT)
FINAL BEVEL GEAR (REAR)
FOOTREST
FRAME
FRONT BOX
FRONT BRAKE HOSE
FRONT CALIPER
FRONT DRIVE SHAFT
FRONT FENDER
FRONT GRILLE
FRONT MASTER CYLINDER
FRONT SUSPENSION ARM
FRONT WHEEL
FUEL PUMP
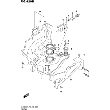
FUEL TANK (P03,P28)
FUEL TANK (P33)
GASKET SET
GEAR SHIFTING
HANDLE COVER
HANDLE LEVER
HANDLEBAR
HEADLAMP
LABEL (P03,P33)
LABEL (P28)
LH REAR WHEEL
MAGNETO
MUDGUARD
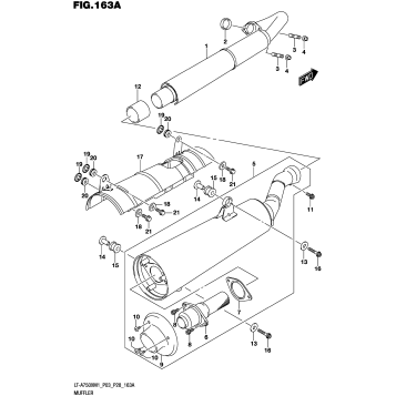
MUFFLER
OIL PUMP
RADIATOR (P03,P33)
RADIATOR (P28)
RADIATOR HOSE
REAR BOX
REAR BRAKE
REAR COMBINATION LAMP
REAR DRIVE SHAFT
REAR FENDER
REAR SHOCK ABSORBER
REAR SUSPENSION ARM
RECOIL COVER
RH REAR WHEEL
SEAT
SECONDARY DRIVE
SHIFT LEVER
SPEEDOMETER (P03,P33)
SPEEDOMETER (P28)
STARTER CLUTCH
STARTING MOTOR
STEERING KNUCKLE
STEERING SHAFT
THROTTLE BODY (P03,P28)
THROTTLE BODY (P33)
TRANSMISSION (1)
TRANSMISSION (2)
WATER PUMP
WIRING HARNESS (P03,P28)
WIRING HARNESS (P33)
Fuel Your Passion
Parts That Keep You Riding
Edit ride