GSX RFI, 5549, 2001
01- Cooling System
01- Crankcase, Rotary Valve
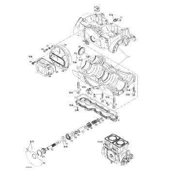
01- Crankshaft And Pistons
01- Cylinder, Exhaust Manifold
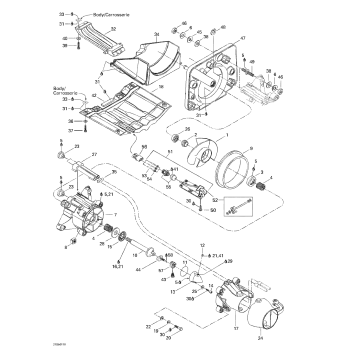
01- Engine Support And Muffler
02- Air Intake System
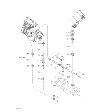
02- Fuel System
02- Oil Injection System
03- Magneto, Oil Pump
04- Starter
05- Drive System
05- Propulsion System
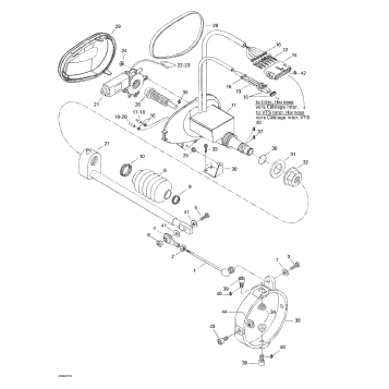
05- Trim
07- Steering System
09- Body, Front View
09- Body, Rear View
09- Decals
09- Front Storage Compartment
09- Seat And Engine Cover
10- Electrical Box And Battery
10- Electrical Harness
10- Electronic Module And Electrical Accessories
10- Typical Electrical Connections
Fuel Your Passion
Parts That Keep You Riding
Edit ride