GSX-R1100 (1988)
AIR CLEANER
ALTERNATOR (MODEL G/H)
ALTERNATOR (MODEL J)
BATTERY
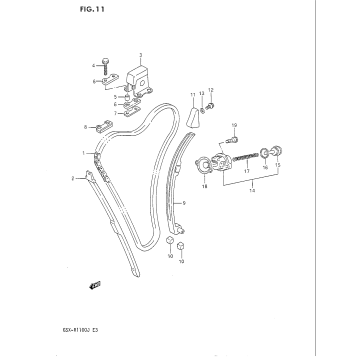
CAM CHAIN
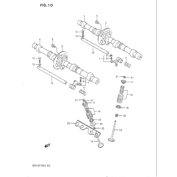
CAM SHAFT - VALVE
CANISTER (CALIFORNIA ONLY)
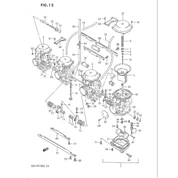
CARBURETOR
CLUTCH
CLUTCH HOSE
CLUTCH MASTER CYLINDER
COWLING (MODEL G)
COWLING (MODEL H)
COWLING (MODEL J
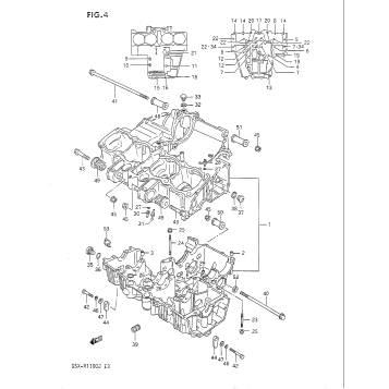
CRANKCASE
CRANKCASE COVER
CRANKSHAFT
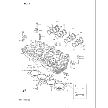
CYLINDER
CYLINDER HEAD
CYLINDER HEAD COVER
ELECTRICAL
FOOTREST
FRAME
FRAME COVER (MODEL G/H)
FRAME COVER (MODEL J)
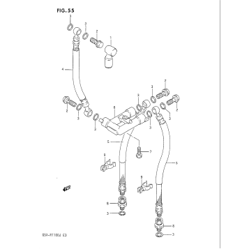
FRONT BRAKE HOSE
FRONT CALIPERS
FRONT FENDER (MODEL G)
FRONT FENDER (MODEL H/J)
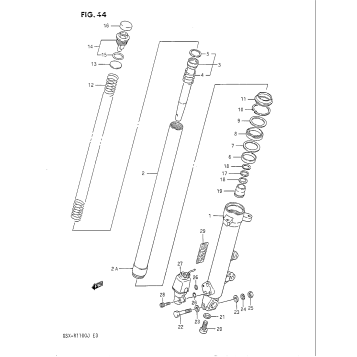
FRONT LEFT DAMPER
FRONT MASTER CYLINDER
FRONT RIGHT DAMPER
FRONT WHEEL (MODEL G)
FRONT WHEEL (MODEL H)
FRONT WHEEL (MODEL J)
FUEL COCK
FUEL TANK (MODEL G/H)
FUEL TANK (MODEL J)
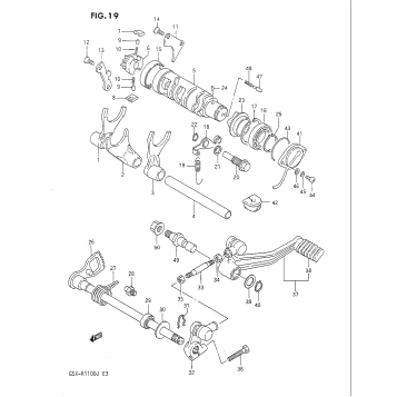
GEAR SHIFTING
HANDLE SWITCH
HANDLEBAR
HEADLAMP
MUFFLER
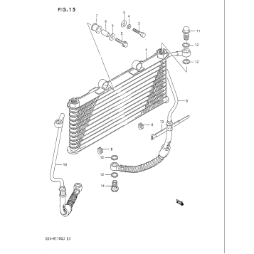
OIL COOLER
OIL PAN
OIL PUMP
OPTIONAL
REAR CALIPER
REAR CUSHION LEVER
REAR FENDER
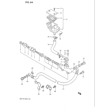
REAR MASTER CYLINDER
REAR SHOCK ABSORBER
REAR SWINGING ARM
REAR WHEEL (MODEL G/H)
REAR WHEEL (MODEL J)
SEAT (MODEL G/H)
SEAT (MODEL J)
SEAT TAIL COVER (MODEL G/H)
SEAT TAIL COVER (MODEL J)
SECOND AIR (MODEL J CALIFORNIA ONLY)
SIGNAL GENERATOR
SPEEDOMETER
STAND
STARTER CLUTCH
STARTING MOTOR
STEERING STEM
TAIL LAMP - LICENSE LAMP
TRANSMISSION
TURN SIGNAL LAMP
WIRING HARNESS
Fuel Your Passion
Parts That Keep You Riding
Edit ride