Grand Touring SE, 1998
01- Cooling System
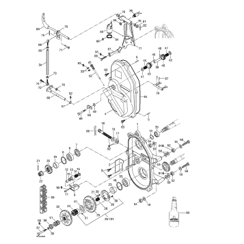
01- Crankcase, Reed Valve, Water Pump
01- Crankshaft And Pistons
01- Cylinder, Exhaust Manifold
01- Engine Support And Muffler (Grand Touring 700)
01- Engine Support And Muffler (Grand Touring SE)
02- Air Intake System
02- Carburetors
02- Fuel System
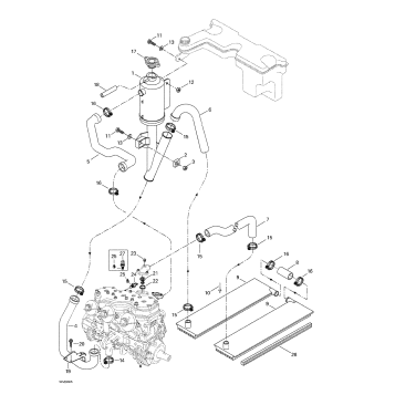
02- Oil Tank
03- Ignition Housing Oil Pump
03- Magneto 12V 290W
04- Rewind Starter
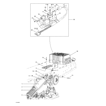
05- Drive Axle And Track
05- Drive Pulley
05- Driven Pulley
05- Transmission
06- Hydraulic Brake And Belt Guard
07- Front Suspension And Ski
07- Steering System
08- Air Shock And Compressor
08- Front Arm, Rear Suspension
08- Rear Arm, Rear Suspension
08- Rear Suspension
09- Bottom Pan
09- Cab, Console
09- Decals
09- Frame And Accessories
09- Luggage Rack, Hitch
09- Seat And Accessories
10- Electrical Accessories
10- Electrical System
Fuel Your Passion
Parts That Keep You Riding
Edit ride