FS/FST IQ TOURING - S07PT7ES/PT7EE/PT7FS/PT7FE
AIR INTAKE SYSTEM (FS) - S07PT7ES/PT7E (49SNOWAIRFSTOUR)
AIR INTAKE SYSTEM (FST) - S07PT7FS/PT7FE (49SNOWAIRFSTSWTCH)
BATTERY - S07PT7ES/PT7EE/PT7FS/PT7FE (4997479747D02)
BRAKE SYSTEM - S07PT7ES/PT7EE/PT7FS/PT7FE (4997479747B02)
BUMPER, FRONT and NOSEPAN - S07PT7ES/PT7EE/PT7FS/PT7FE (4997479747A07)
BUMPER/HITCH/FLAP - S07PT7ES/PT7EE/PT7FS/PT7FE (49SNOWBUMPERFSTOUR)
CARGO BOX/TAILLIGHT ASM - S07PT7ES/PT7EE/PT7FS/PT7FE (49SNOWCARGOFSTOUR)
CHASSIS, FRONT - S07PT7ES/PT7EE/PT7FS/PT7FE (49SNOWCHASSISFRTFSTOUR)
CONSOLE - S07PT7ES/PT7EE/PT7FS/PT7FE (49SNOWCONSOLEFSTSWTCH)
COOLER, INTER - S07PT7FS/PT7FE (49SNOWCOOLER08IQTURBOLXT)
COOLING - S07PT7ES/PT7EE/PT7FS/PT7FE (49SNOWCOOLINGFSTOUR)
DECALS - S07PT7ES/PT7EE/PT7FS/PT7FE (49SNOWDECALFSTOUR)
DRIVE CLUTCH - S07PT7ES/PT7EE/PT7FS/PT7FE (4997479747C11)
DRIVE TRAIN - S07PT7ES/PT7EE/PT7FS/PT7FE (4997479747C10)
DRIVEN CLUTCH - S07PT7ES/PT7EE/PT7FS/PT7FE (49SNOWDRIVENCLUTCHTRAILRMK)
ECU MOUNTING - S07PT7ES/PT7EE/PT7FS/PT7FE (4997479747C07)
ENGINE ALTERNATOR - S07PT7ES/PT7EE/PT7FS/PT7FE (49SNOWALTERNATORFSTSWTCH)
ENGINE WIRE HARNESS KIT - S07PT7ES/PT7EE/PT7FS/PT7FE (49SNOWHARNESSFSTOUR)
ENGINE, CAM CHAIN and TENSIONERS - S07PT7ES/PT7EE/PT7FS/PT7FE (4997479747D11)
ENGINE, COOLANT RAIL - S07PT7ES/PT7EE/PT7FS/PT7FE (49SNOWCOOLANTFSTIQ)
ENGINE, CRANKSHAFT and BALANCE SHAFT - S07PT7ES/PT7EE/PT7FS/PT7FE (4997479747E02)
ENGINE, CYLINDER and CRANKCASE - S07PT7ES/PT7EE/PT7FS/PT7FE (49SNOWCYLINDERFSTIQ)
ENGINE, DRIVE GEAR and PULLEY - S07PT7ES/PT7EE/PT7FS/PT7FE (4997479747E06)
ENGINE, FUEL RAIL - S07PT7ES/PT7EE/PT7FS/PT7FE (4997479747E03)
ENGINE, MOUNTING, LH - S07PT7ES/PT7EE/PT7FS/PT7FE (49SNOWENGINEMOUNTFSTSWTCH)
ENGINE, MOUNTING, RH and FRONT - S07PT7ES/PT7EE/PT7FS/PT7FE (49SNOWENGINEMOUNTRH)
ENGINE, OIL FILTER - S07PT7ES/PT7EE/PT7FS/PT7FE (49SNOWOILFILTERFS)
ENGINE, OIL PUMP - S07PT7ES/PT7EE/PT7FS/PT7FE (4997479747E01)
ENGINE, OIL SUMP - S07PT7ES/PT7EE/PT7FS/PT7FE (49SNOWOILSUMP11IQ)
ENGINE, PISTON - S07PT7ES/PT7EE/PT7FS/PT7FE (4997479747D12)
ENGINE, REFERENCE HOSES - S07PT7FS/PT7FE (49SNOWHOSESFSTOUR)
ENGINE, STARTER MOTOR - S07PT7ES/PT7EE/PT7FS/PT7FE (4997479747E04)
ENGINE, THROTTLE BODY/INTAKE MANIFOLD (FS) - S07PT7ES/PT7EE (4997519751D12)
ENGINE, THROTTLE BODY/INTAKE MANIFOLD (FST) - S07PT7FS/PT7FE (4997479747D09)
ENGINE, TURBO - S07PT7FS/PT7FE (49SNOWTURBOFST)
ENGINE, VALVE COVER - S07PT7ES/PT7EE/PT7FS/PT7FE (4997479747D07)
ENGINE, VALVE TRAIN - S07PT7ES/PT7EE/PT7FS/PT7FE (4997479747D13)
ENGINE, VALVES - S07PT7ES/PT7EE/PT7FS/PT7FE (4997479747D14)
ENGINE, WATER PUMP - S07PT7ES/PT7EE/PT7FS/PT7FE (4997479747D10)
EXHAUST (FS) - S07PT7ES/PT7EE (49SNOWEXHAUSTFSTOUR)
EXHAUST (FST) - S07PT7FS/PT7FE (49SNOWEXHAUSTFSTSWTCH)
FENDERS and SIDE PANELS - S07PT7ES/PT7EE/PT7FS/PT7FE (49SNOWFENDERSFSTSWTCH)
FUEL SYSTEM - S07PT7ES/PT7EE/PT7FS/PT7FE (49SNOWFUELFSTSWTCH)
GEARCASE ASSEMBLY - S07PT7ES/PT7EE/PT7FS/PT7FE (49SNOWGEARCASE07FST)
GEARCASE COVER - S07PT7ES/PT7EE/PT7FS/PT7FE (4997479747E13)
GEARCASE MOUNTING - S07PT7ES/PT7EE/PT7FS/PT7FE (4997479747C08)
HANDLEBAR - S07PT7ES/PT7EE/PT7FS/PT7FE (49SNOWHANDLEBARCLEANTRG)
HEADLIGHT - S07PT7ES/PT7EE/PT7FS/PT7FE (49SNOWHEADLGHT08RMK155)
HOOD - S07PT7ES/PT7EE/PT7FS/PT7FE (49SNOWHOODFSTOUR)
HOOD FOAM/SCREENS/FOIL - S07PT7ES/PT7EE/PT7FS/PT7FE (49SNOWHOODSCFLFSTSWTCH)
IGNITION COILS - S07PT7ES/PT7EE/PT7FS/PT7FE (4997479747D06)
OIL COOLING SYSTEM - S07PT7ES/PT7EE/PT7FS/PT7FE (49SNOWOILTANKFSTOUR)
SEAT - S07PT7ES/PT7EE/PT7FS/PT7FE (49SNOWSEATFSTOUR)
SENSORS and ELECTRICAL COMPONENTS - S07PT7ES/PT7EE/PT7FS/PT7FE (4997479747E11)
SHOCK, REAR TRACK (7043216) - S07PT7ES/PT7EE/PT7FS/PT7FE (49SNOWSHOCKREAR7043216)
SKI ASSEMBLY - S07PT7ES/PT7EE/PT7FS/PT7FE (49SNOWSKIASMFSTOUR)
STEERING HOOP - S07PT7ES/PT7EE/PT7FS/PT7FE (49SNOWSTEERINGHOOPFSTSWTCH)
STEERING POST ASSEMBLY - S07PT7ES/PT7EE/PT7FS/PT7FE (4997479747B10)
STEERING, LOWER - S07PT7ES/PT7EE/PT7FS/PT7FE (4997479747B09)
STEERING/DRAG LINK - S07PT7ES/PT7EE/PT7FS/PT7FE (49SNOWSTEERINGFSTSWTCH)
SUSPENSION, FRONT - S07PT7ES/PT7EE/PT7FS/PT7FE (49SNOWSUSPFRTFSTOUR)
SUSPENSION, RAIL MOUNTING - S07PT7ES/PT7EE/FT7FS/PT7FE FS/FST (49SNOWSUSPRAILFSTOUR)
SUSPENSION, REAR - S07PT7ES/PT7EE/FT7FS/PT7FE FS/FST (49SNOWSUSPRRFSTOUR)
SWAY BAR - S07PT7ES/PT7EE/PT7FS/PT7FE (4997479747B05)
TOOL KIT - S07PT7ES/PT7EE/PT7FS/PT7FE (49SNOWTOOLFSTSWTCH)
TORQUE ARM, FRONT - S07PT7ES/PT7EE/PT7FS/PT7FE (49SNOWFTAFSTOUR)
TORQUE ARM, REAR - S07PT7ES/PT7EE/PT7FS/PT7FE (49SNOWTORQUEREARFSTOUR)
WINDSHIELD - S07PT7ES/PT7EE/PT7FS/PT7FE (49SNOWWINDSHLDFSTOUR)
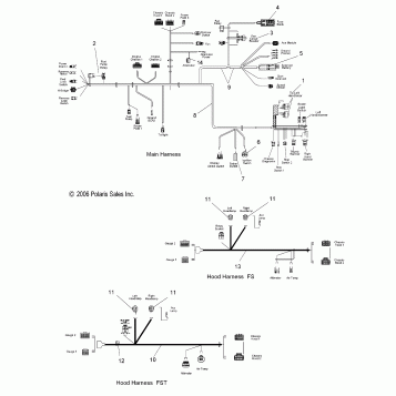
WIRE HARNESS, MAIN/HOOD - S07PT7ES/PT7EE/PT7FS/PT7FE (49SNOWWIREHARNESSFSTOUR)
Fuel Your Passion
Parts That Keep You Riding
Edit ride