- Partiron
- OEM Parts
- Polaris
- SNOW
- SNO
- 2007
- FS/FST IQ TOURING - S07PT7ES/PT7EE/PT7FS/PT7FE
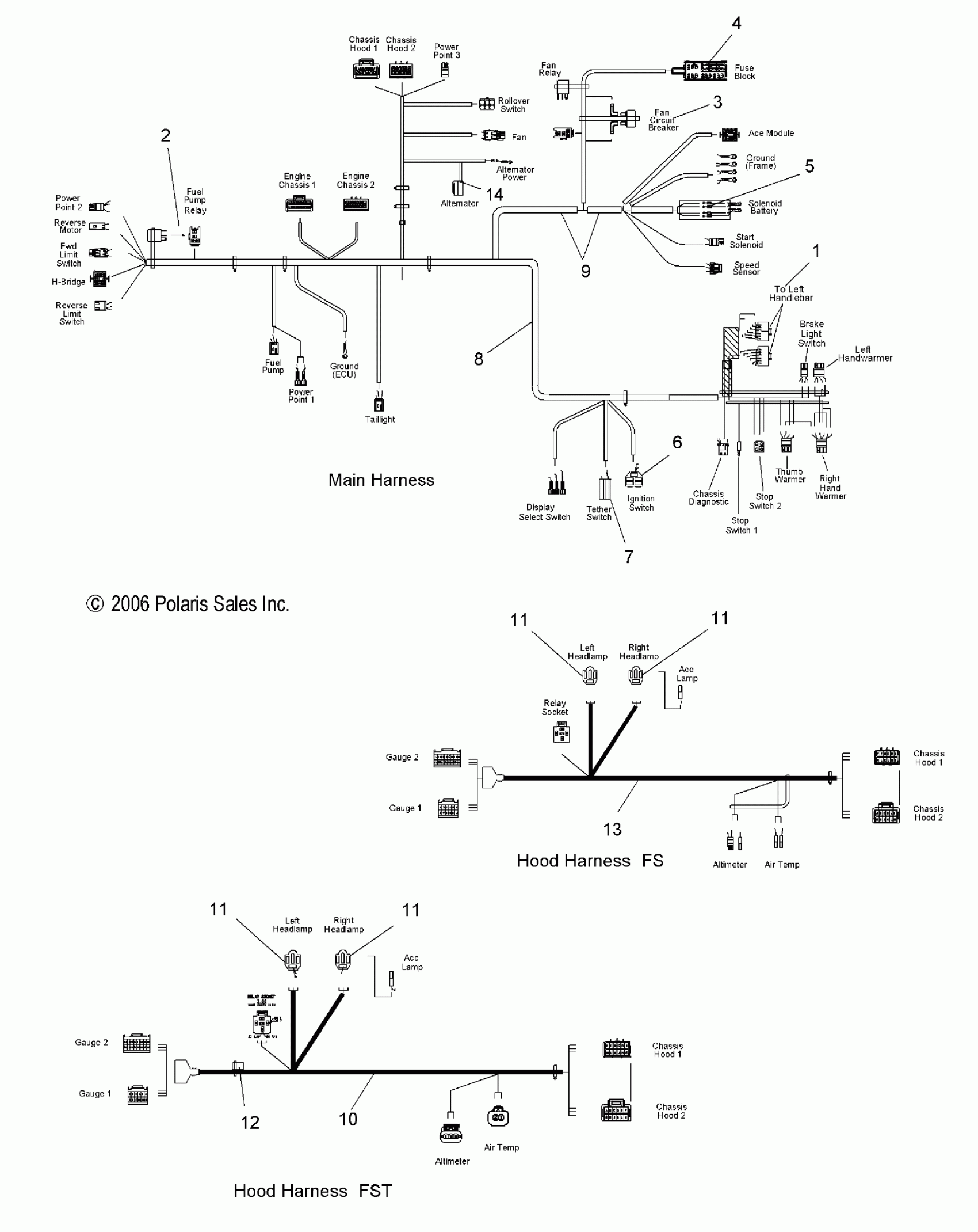
WIRE HARNESS, MAIN/HOOD - S07PT7ES/PT7EE/PT7FS/PT7FE (49SNOWWIREHARNESSFSTOUR)
Polaris FS/FST IQ TOURING - S07PT7ES/PT7EE/PT7FS/PT7FE WIRE HARNESS, MAIN/HOOD - S07PT7ES/PT7EE/PT7FS/PT7FE (49SNOWWIREHARNESSFSTOUR) Diagram
#
Description
Price
4
FUSE-PARK,20 AMP
2434017
Unavailable
4
DECAL, FUSE BOX, 4S
7173525
Unavailable
6
HOUSING, RECEPTACLE
4020062
Unavailable
8
Harness, Main Wire [Incl. 1-9]
2410814
Unavailable
11
COUPLING
4020052
Unavailable
11
COUPLING
4020052
Unavailable
11
COUPLING
4020052
Unavailable
11
COUPLING
4020052
Unavailable
