Expedition 600 H.O. SDI, 2005
01- Cooling System
01- Crankcase, Water Pump And Oil Pump
01- Crankshaft And Pistons
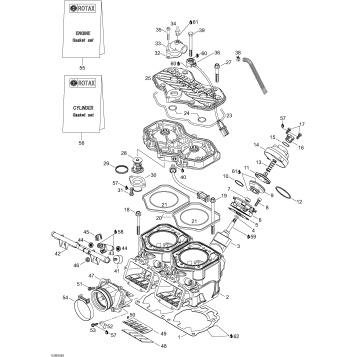
01- Cylinder and Cylinder Head
01- Engine And Engine Support
01- Exhaust System
02- Air Intake System
02- Fuel System
02- Oil System
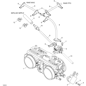
02- Throttle Body
03- Magneto
04- Electric Starter
04- Rewind Starter
05- Drive Pulley
05- Drive System
05- Driven Pulley
05- Pulley System
05- Transmission
06- Hydraulic Brake
07- Front Suspension And Ski
07- Steering System
08- Rear Suspension
09- Bottom Pan
09- Decals
09- Frame
09- Frame and Components
09- Hood
09- Seat
10- Electrical Accessories
10- Engine Harness And Electronic Module
10- Steering Wiring Harness
Fuel Your Passion
Parts That Keep You Riding
Edit ride