DS 650 X, 2006
01- Cooling System
01- Crankcase
01- Crankshaft And Pistons
01- Crankshaft, Piston And Cylinder
01- Cylinder Head
01- Engine 1
01- Engine 2
01- Exhaust System
01- Valve 1
01- Valve 2
02- Air Intake Silencer
02- Carburetor
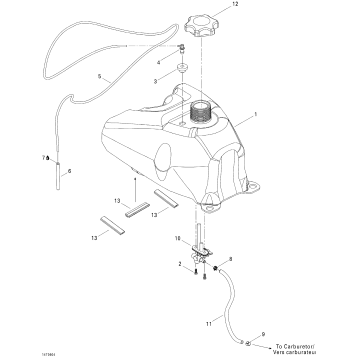
02- Fuel System
03- Ignition And Magneto
05- Clutch
05- Clutch Housing And Water Pump
05- Gear Shift
06- Brakes
07- Drive System, Front
07- Front Suspension
07- Steering System
08- Drive System, Rear
08- Rear Suspension
09- Body And Accessories
09- Body And Accessories, Front View
09- Body And Accessories, Rear View
09- Decals
09- Frame
09- Rear Cargo Box
09- Seat
10- Electrical Accessories
10- Electrical System
10- Main Harness
Fuel Your Passion
Parts That Keep You Riding
Edit ride