A04CH50AA SPORTSMAN 500 - A04CH50AA/AC/AE/AG
A-ARM/STRUT MOUNTING - A04CH50AA/AC/AE/AG (4986068606B12)
AIR BOX - A04CH50AA/AC/AE/AG (4986088608B01)
CARBURETOR - A04CH50AA/AC/AE/AG (4986088608D05)
CLUTCH COVER - A04CH50AA/AC/AE/AG (4986088608C07)
CONTROLS - MASTER CYLINDER/BRAKE LINE - A04CH50AA/AC/AE/AG (4986088608B03)
CONTROLS-THROTTLE ASM/CABLE - A04CH50AA/AC/AE/AG (4986268626B13)
COOLING SYSTEM - A04CH50AA/AC/AE/AG (4986088608A10)
CRANKCASE - A04CH50AA/AC/AE/AG (4999201549920154C12)
CRANKSHAFT AND PISTON - A04CH50AA/AC/AE/AG (4986088608D02)
CYLINDER - A04CH50AA/AC/AE/AG (4986088608D03)
DECALS - A04CH50AA/AC/AE/AG (4986088608A09)
DRIVE CLUTCH - A04CH50AA/AC/AE/AG (4987288728C06)
DRIVE SHAFT - A04CH50AA/AC/AE/AG (4986088608B08)
DRIVEN CLUTCH - A04CH50AA/AC/AE/AG (4987288728C07)
ELECTRICAL/TAILLIGHT - A04CH50AA/AC/AE/AG (4986088608C08)
ENGINE MOUNTING - A04CH50AA/AC/AE/AG (4986088608A13)
EXHAUST SYSTEM - A04CH50AA/AC/AE/AG (4986068606A11)
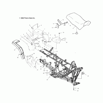
FRAME MOUNTING - A04CH50AA/AC/AE/AG (4975377537C02)
FRONT BRAKE - A04CH50AA/AC/AE/AG (4986128612B09)
FRONT CAB - A04CH50AA/AC/AE/AG (4986088608A05)
FRONT HOUSING - A04CH50AA/AC/AE/AG (4986068606C12)
FRONT RACK AND BUMPER MOUNTING - A04CH50AA/AC/AE/AG (4986088608A07)
FRONT STRUT - A04CH50AA/AC/AE/AG (4959905990B007)
FRONT WHEEL - A04CH50AA/AC/AE/AG (4999201549920154B05)
FUEL PUMP - A04CH50AA/AC/AE/AG (4999200099920009D11)
FUEL TANK - A04CH50AA/AC/AE/AG (4986088608A12)
GEAR SELECTOR - A04CH50AA/AC/AE/AG (4975377537C03)
GEARCASE - A04CH50AA/AC/AE/AG (4986088608C13)
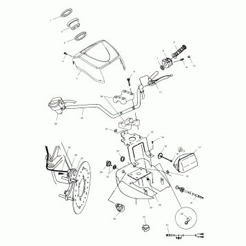
HANDLEBAR AND HEADLIGHT POD - A04CH50AA/AC/AE/AG (4986088608C01)
INTAKE AND EXHAUST - A04CH50AA/AC/AE/AG (4986088608D07)
MAGNETO - A04CH50AA/AC/AE/AG (4975277527D12)
OIL FILTER - A04CH50AA/AC/AE/AG (4999200099920009D13)
OIL PUMP - A04CH50AA/AC/AE/AG (4999200099920009D12)
OIL TANK - A04CH50AA/AC/AE/AG (4987288728B04)
PROP SHAFT - A04CH50AA/AC/AE/AG (4986068606B10)
REAR CAB AND SEAT - A04CH50AA/AC/AE/AG (4986088608A03)
REAR CALIPER - A04CH50AA/AC/AE/AG (4986068606B07)
REAR DRIVE SHAFT - A04CH50AA/AC/AE/AG (4986108610B03)
REAR MASTER CYLINDER/FOOT PEDAL - A04CH50AA/AC/AE/AG (4986088608B06)
REAR RACK MOUNTING - A04CH50AA/AC/AE/AG (4986088608A06)
REAR SUSPENSION - A04CH50AA/AC/AE/AG (4986088608C09)
REAR WHEEL DRIVE - A04CH50AA/AC/AE/AG (4986108610C04)
RECOIL STARTER - A04CH50AA/AC/AE/AG (4999201549920154D04)
STARTING MOTOR - A04CH50AA/AC/AE/AG (4985938593E07)
STEERING POST - A04CH50AA/AC/AE/AG (4975417541B10)
TOOL KIT - A04CH50AA/AC/AE/AG (4986088608E01)
WATER PUMP - A04CH50AA/AC/AE/AG (4999200139920013D10)
Fuel Your Passion
Parts That Keep You Riding
Edit ride