A04CH42AQ SPORTSMAN 400 - A04CH42AQ/AR/AS/AT/AV
A-ARM/STRUT MOUNTING - A04CH42AQ/AR/AS/AT/AV (4987258725C03)
AIR BOX - A04CH42AQ/AR/AS/AT/AV (4987258725B02)
CARBURETOR - A04CH42AQ/AR/AS/AT/AV (4994839483C10)
CLUTCH COVER - A04CH42AQ/AR/AS/AT/AV (4987258725C08)
CONTROLS - MASTER CYLINDER/BRAKE LINE - A04CH42AQ/AR/AS/AT/AV (4987258725B05)
CONTROLS-THROTTLE ASM/CABLE - A04CH42AQ/AR/AS/AT/AV (4987468746B10)
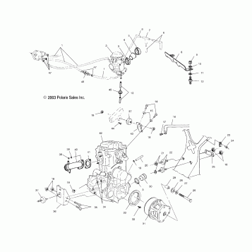
COOLING SYSTEM - A04CH42AQ/AR/AS/AT/AV (4987258725A12)
CRANKCASE - A04CH42AQ/AR/AS/AT/AV (4999201549920154C12)
CRANKSHAFT AND PISTON - A04CH42AQ/AR/AS/AT/AV (4987258725D04)
CYLINDER - A04CH42AQ/AR/AS/AT/AV (4987258725D03)
DECALS - A04CH42AQ/AR/AS (4987258725A10)
DECALS - A04CH42AT/AV (4987258725A11)
DRIVE CLUTCH - A04CH42AQ/AR/AS/AT/AV (4987258725C06)
DRIVE SHAFT - A04CH42AQ/AR/AS/AT/AV (4987438743B02)
DRIVEN CLUTCH - A04CH42AQ/AR/AS/AT/AV (4999200059920005C06)
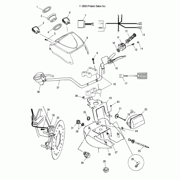
ELECTRICAL/TAILLIGHT - A04CH42AQ/AR/AS/AT/AV (4987258725C12)
ENGINE MOUNTING - A04CH42AQ/AR/AS/AT/AV (4987258725A13)
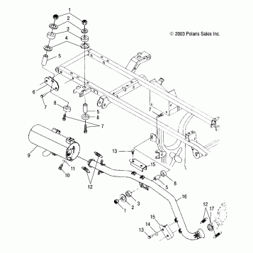
EXHAUST SYSTEM - A04CH42AQ/AR/AS/AT/AV (4987258725B01)
FRONT BRAKE - A04CH42AQ/AR/AS/AT/AV (4987288728B07)
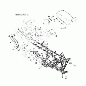
FRONT CAB - A04CH42AQ/AR/AS/AT/AV (4987258725A05)
FRONT HOUSING - A04CH42AQ/AR/AS/AT/AV (4987258725D01)
FRONT RACK AND BUMPER MOUNTING - A04CH42AQ/AR/AS/AT/AV (4987258725A07)
FRONT STRUT - A04CH42AQ/AR/AS/AT/AV (4964026402B007)
FRONT WHEEL - A04CH42AQ/AR/AS/AT/AV (4987318731B07)
FUEL PUMP - A04CH42AQ/AR/AS/AT/AV (4999200099920009D11)
FUEL TANK - A04CH42AQ/AR/AS/AT/AV (4987288728B03)
GEAR SELECTOR - A04CH42AQ/AR/AS/AT/AV (4987288728C05)
GEARCASE - A04CH42AQ/AR/AS/AT/AV (4987258725C13)
HANDLEBAR AND HEADLIGHT POD - A04CH42AQ/AR/AS/AT/AV (4987258725C01)
INTAKE and EXHAUST - A04CH42AQ/AR/AS/AT/AV (4999200099920009D09)
MAGNETO - A04CH42AQ/AR/AS/AT/AV (4987288728D13)
OIL FILTER - A04CH42AQ/AR/AS/AT/AV (4999200099920009D13)
OIL PUMP - A04CH42AQ/AR/AS/AT/AV (4999201649920164D12)
OIL TANK - A04CH42AQ/AR/AS/AT/AV (4987288728B04)
PROP SHAFT - A04CH42AQ/AR/AS/AT/AV (4987258725B12)
REAR CAB AND SEAT - A04CH42AQ/AR/AS/AT/AV (4987258725A03)
REAR CALIPER - A04CH42AQ/AR/AS/AT/AV (4987258725B09)
REAR DRIVE SHAFT - A04CH42AQ/AR/AS/AT/AV (4987258725B11)
REAR MASTER CYLINDER/FOOT PEDAL - A04CH42AQ/AR/AS/AT/AV (4987288728B08)
REAR RACK MOUNTING - A04CH42AQ/AR/AS/AT/AV (4987288728A06)
REAR SUSPENSION - A04CH42AQ/AR/AS/AT/AV (4987258725C09)
REAR WHEEL DRIVE - A04CH42AQ/AR/AS/AT/AV (4986108610C04)
RECOIL STARTER - A04CH42AQ/AR/AS/AT/AV (4999201549920154D04)
STARTING MOTOR - A04CH42AQ/AR/AS/AT/AV (4999200139920013D14)
STEERING POST - A04CH42AQ/AR/AS/AT/AV (4975417541B10)
TOOL KIT - A04CH42AQ/AR/AS/AT/AV (4987258725E01)
WATER PUMP - A04CH42AQ/AR/AS/AT/AV (4999200139920013D10)
WINCH ASM. - A04CH42AT/AV (4987468746E01)
Fuel Your Passion
Parts That Keep You Riding
Edit ride