- Partiron
- OEM Parts
- Polaris
- ATV
- 2004
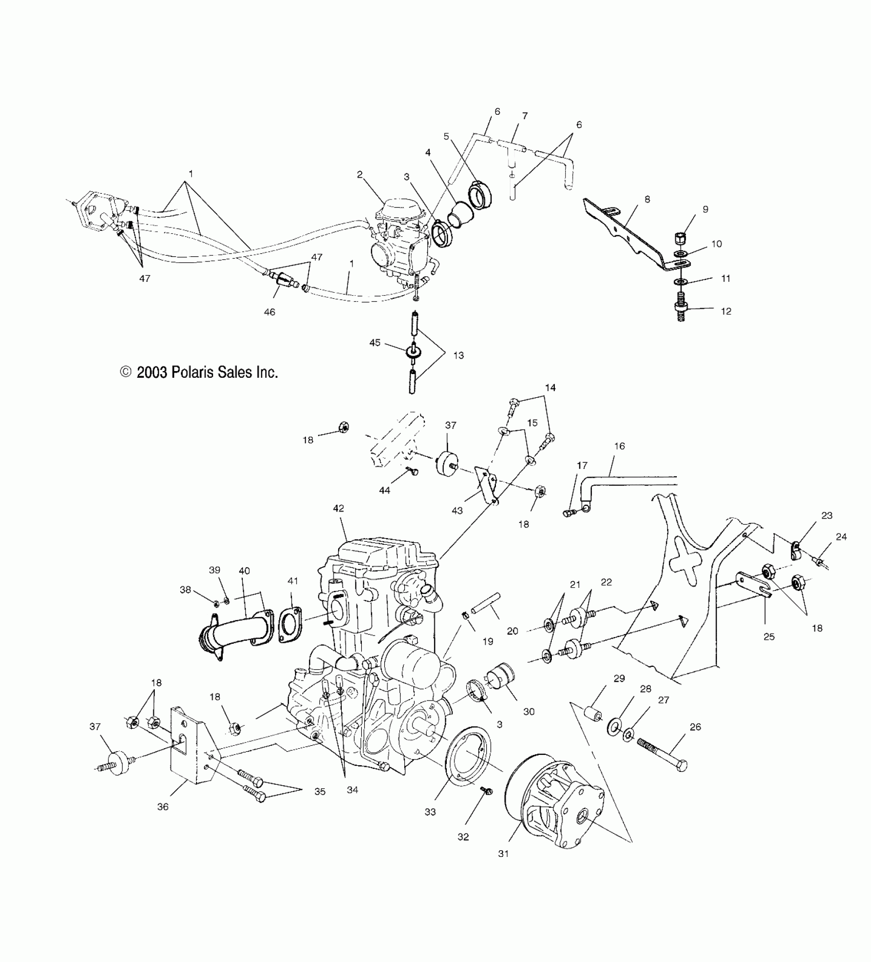
- A04CH42AQ SPORTSMAN 400 - A04CH42AQ/AR/AS/AT/AV
ENGINE MOUNTING - A04CH42AQ/AR/AS/AT/AV (4987258725A13)
Polaris A04CH42AQ SPORTSMAN 400 - A04CH42AQ/AR/AS/AT/AV ENGINE MOUNTING - A04CH42AQ/AR/AS/AT/AV (4987258725A13) Diagram
#
Description
Price
1
Line, Fuel
8450040-600
Unavailable
1
Line, Fuel
8450040-600
Unavailable
2
ASM., CARBURETOR [SEE CARBURETOR PG. D6, REF. 9]
-------
Unavailable
4
Boot, Carburetor
5412283
Unavailable
6
Line, Fuel
8450003-1525
Unavailable
6
Line, Fuel
8450003-1525
Unavailable
8
Strap, Carburetor Mount
5247154
Unavailable
13
LINE, FUEL
8360009-600
Unavailable
20
HOSE, BREATHER [SEE AIR BOX PG. B2, REF. 16]
-------
Unavailable
22
Mount, Rubber, Front
3110046
Unavailable
25
Strap, Frame Support
5224658-067
Unavailable
30
Boot, Clutch Intake (If built after 8/04/03)
5412487
Unavailable
31
ASM., DRIVE CLUTCH [SEE DRIVE CLUTCH PG. C6 FOR DETAILS]
-------
Unavailable
32
SCREW AND WASHER [SEE CRANKCASE PG. D2, REF. 6]
-------
Unavailable
33
BRACKET, RETAINER, SEAL [SEE CLUTCH COVER PG. C8, REF. 14]
-------
Unavailable
36
Mount, Engine, Front
5241150
Unavailable
37
Mount, Rubber, Top
3110044
Unavailable
37
Mount, Rubber, Top
3110044
Unavailable
38
NUT [SEE CYLINDER PG. D3, REF. 23]
-------
Unavailable
39
WASHER [SEE CYLINDER PG. D3, REF. 22]
-------
Unavailable
40
Manifold, Black
1261043-029
Unavailable
41
GASKET, EXHAUST [SEE CYLINDER PG. D3, REF. 33]
-------
Unavailable
42
Engine, Short Block [EH42PLE053] NOTE: The Short Block assembly contains a crankcase assembly, cylinder & cylinder head assembly and a piston & crankshaft assembly. Prior authorization is required f
3087023
Unavailable
45
Valve, Check Vent
7051011
Unavailable
