- Partiron
- OEM Parts
- Polaris
- ATV
- 2004
- A04CH42AQ SPORTSMAN 400 - A04CH42AQ/AR/AS/AT/AV
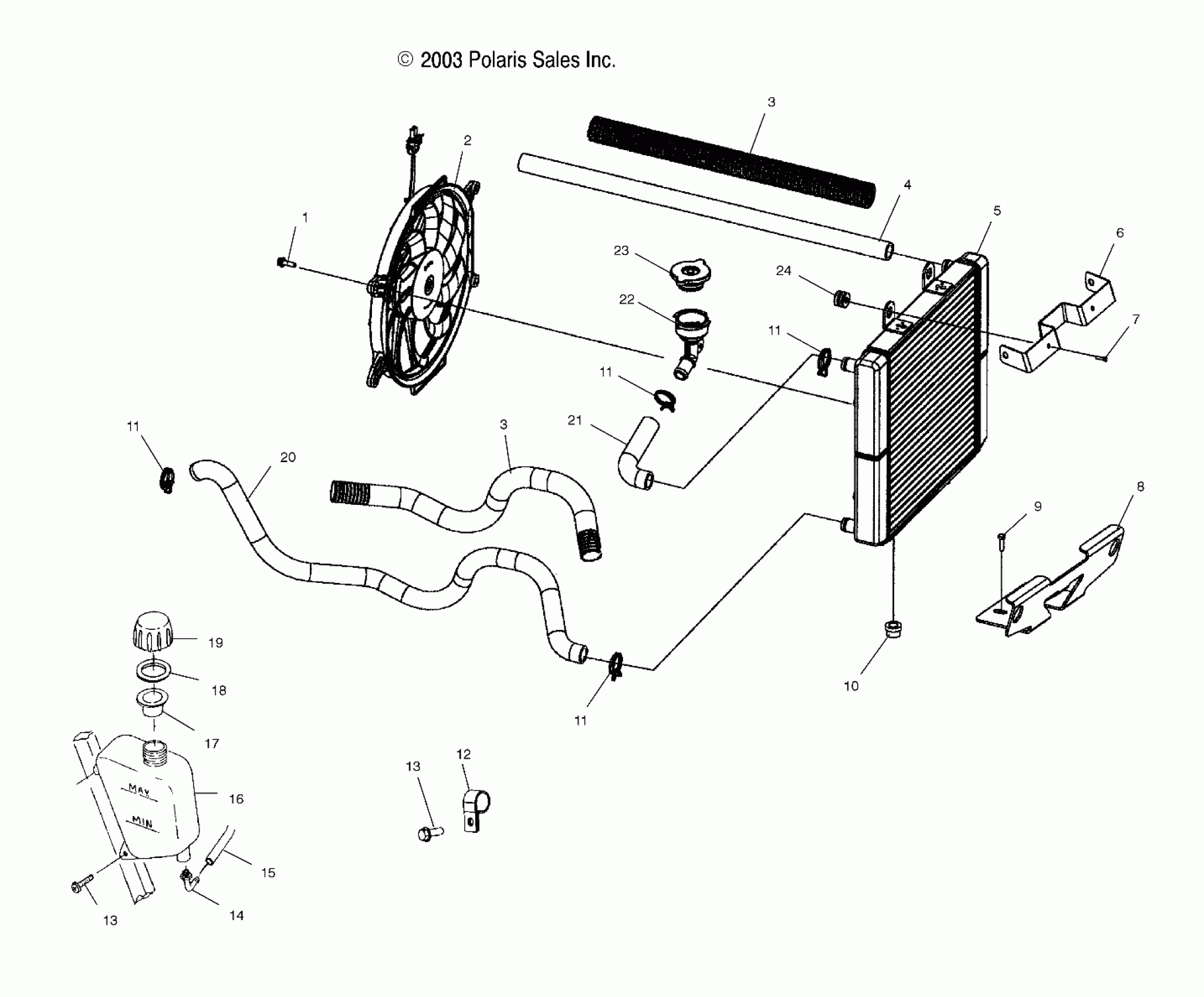
COOLING SYSTEM - A04CH42AQ/AR/AS/AT/AV (4987258725A12)
Polaris A04CH42AQ SPORTSMAN 400 - A04CH42AQ/AR/AS/AT/AV COOLING SYSTEM - A04CH42AQ/AR/AS/AT/AV (4987258725A12) Diagram
#
Description
Price
3
Guard, Hose, Plastic
5521550
Unavailable
3
Guard, Hose, Plastic
5521550
Unavailable
5
Radiator
1240152
Unavailable
12
CLAMP-HOSE,1.312 VINYL COATED
7080851
Unavailable
16
Tank, Surge
5431673
Unavailable
21
Hose, Filler Neck
5412405
Unavailable
23
Cap, Pressure
1240044
Unavailable
