950 SUPERENDURO R 2006
Special tools (engine)
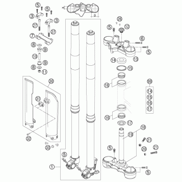
FRONT FORK, TRIPLE CLAMP
SPECIAL TOOLS
BATTERY
LIGHTING SYSTEM
FRONT FORK DISASSEMBLED
HANDLEBAR, CONTROLS
FRAME
ENGINE GUARD
SIDE / CENTER STAND
SHOCK ABSORBER
SHOCK ABSORBER DISASSEMBLED
SWING ARM
EXHAUST SYSTEM
AIR FILTER
TANK, SEAT
MASK, FENDERS
DECAL
FRONT WHEEL
REAR WHEEL
WIRING HARNESS
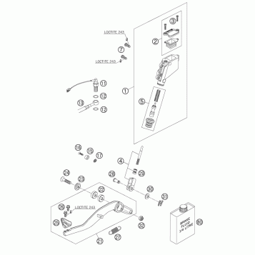
FRONT BRAKE CONTROL
REAR BRAKE CONTROL
FRONT BRAKE CALIPER
REAR BRAKE CALIPER
INSTRUMENTS / LOCK SYSTEM
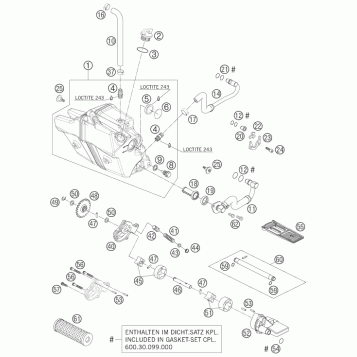
ENGINE CASE
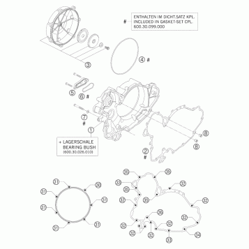
CLUTCH COVER
BALANCER SHAFT
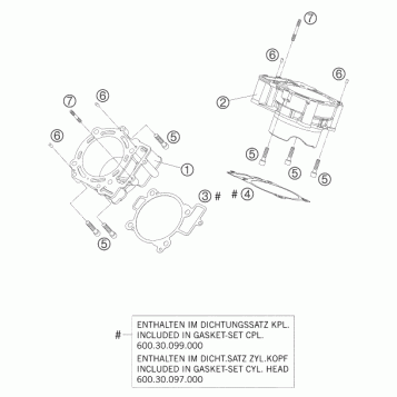
CYLINDER
SECONDARY AIR SYSTEM SAS
ELECTRONIC POWER CONTROL EPC
TRANSMISSION I - MAIN SHAFT
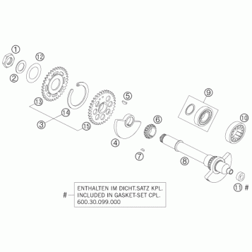
TRANSMISSION II - COUNTERSHAFT
WATER PUMP
VALVE DRIVE
TIMING DRIVE
CRANKSHAFT, PISTON
CARBURETOR
CLUTCH
SHIFTING MECHANISM
COOLING SYSTEM
CYLINDER HEAD REAR
CYLINDER HEAD FRONT
LUBRICATING SYSTEM
IGNITION SYSTEM
ELECTRIC STARTER
Fuel Your Passion
Parts That Keep You Riding
Edit ride