790 Adventure R 2019
ENGINE CASE
FRONT FORK, TRIPLE CLAMP
SWING ARM
ENGINE GUARD
EXHAUST SYSTEM
AIR FILTER
FUEL PUMP
FRONT WHEEL
REAR WHEEL
WIRING HARNESS
BATTERY
FRONT BRAKE CONTROL
REAR BRAKE CONTROL
REAR BRAKE CALIPER
LIGHTING SYSTEM
INSTRUMENTS / LOCK SYSTEM
EVAPORATIVE CANISTER
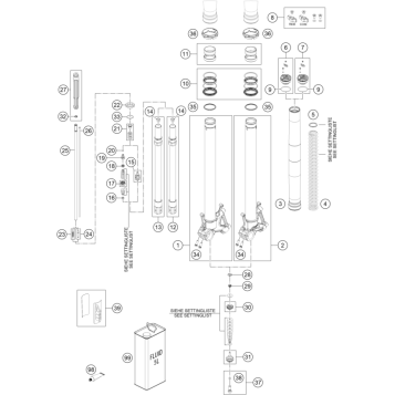
FRONT FORK DISASSEMBLED
HANDLEBAR, CONTROLS
FRAME
SIDE / CENTER STAND
SHOCK ABSORBER
SHOCK ABSORBER DISASSEMBLED
TANK, SEAT
MASK, FENDERS
SIDE TRIM
DECAL
FRONT BRAKE CALIPER
ACCESSORY PACK
ABS
CLUTCH COVER
BALANCER SHAFT
CRANKSHAFT, PISTON
CLUTCH
TRANSMISSION I - MAIN SHAFT
WATER PUMP
VALVE DRIVE
ELECTRIC STARTER
TRANSMISSION II - COUNTERSHAFT
SHIFTING MECHANISM
COOLING SYSTEM
TIMING DRIVE
CYLINDER HEAD
LUBRICATING SYSTEM
IGNITION SYSTEM
THROTTLE BODY
Fuel Your Passion
Parts That Keep You Riding
Edit ride