690 DUKE WHITE ABS 2014
FRONT FORK, TRIPLE CLAMP
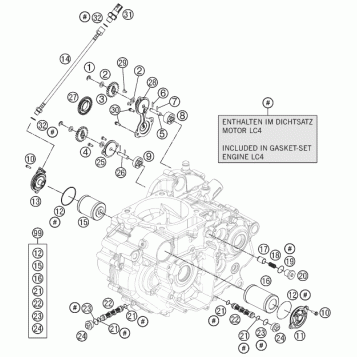
ENGINE CASE
WP SHIMS FOR SETTING
FRAME
SIDE / CENTER STAND
SHOCK ABSORBER
PRO LEVER LINKING
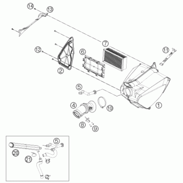
AIR FILTER
BATTERY
FRONT BRAKE CALIPER
LIGHTING SYSTEM
HANDLEBAR, CONTROLS
SWING ARM
EXHAUST SYSTEM
FUEL PUMP
FRONT WHEEL
REAR WHEEL
WIRING HARNESS
FRONT BRAKE CONTROL
REAR BRAKE CONTROL
REAR BRAKE CALIPER
INSTRUMENTS / LOCK SYSTEM
ACCESSORY PACK
ABS
CLUTCH COVER
WATER PUMP
BALANCER SHAFT
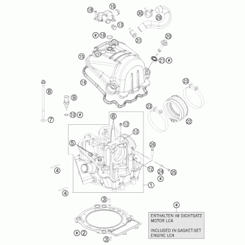
CYLINDER
CLUTCH
TRANSMISSION I - MAIN SHAFT
TRANSMISSION II - COUNTERSHAFT
CYLINDER HEAD
LUBRICATING SYSTEM
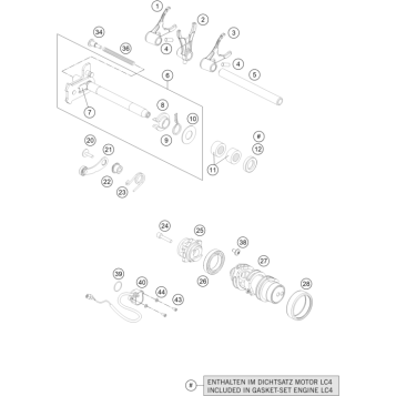
ELECTRIC STARTER
DECAL
SHIFT LEVER
COOLING SYSTEM
IGNITION SYSTEM
CRANKSHAFT, PISTON
SHIFTING MECHANISM
VALVE DRIVE
TIMING DRIVE
THROTTLE BODY
TANK, SEAT
MASK, FENDERS
Fuel Your Passion
Parts That Keep You Riding
Edit ride