660 RALLYE FACTORY REPL. 2003
FRONT FORK, TRIPLE CLAMP
Special tools (engine)
PRO LEVER LINKING
REAR BRAKE CONTROL
FRONT BRAKE CALIPER
FRONT FORK DISASSEMBLED
HANDLEBAR, CONTROLS
FRAME
SUBFRAME
ENGINE GUARD
SHOCK ABSORBER
SHOCK ABSORBER DISASSEMBLED
SWING ARM
EXHAUST SYSTEM
AIR FILTER
TANK, SEAT
FUEL PUMP
MASK, FENDERS
DECAL
FRONT WHEEL
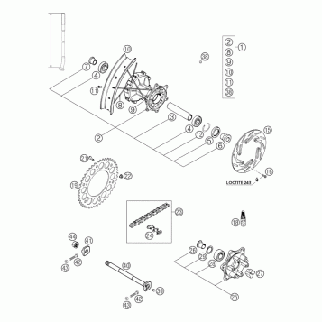
REAR WHEEL
WIRING HARNESS
ACCESSORIES
FRONT BRAKE CONTROL
REAR BRAKE CALIPER
LIGHTING SYSTEM
INSTRUMENTS / LOCK SYSTEM
CARBURETOR
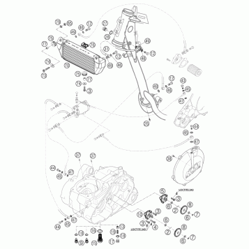
ENGINE CASE
BALANCER SHAFT
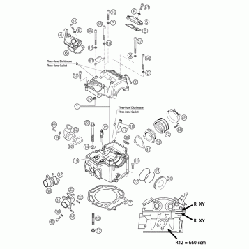
CYLINDER
CRANKSHAFT, PISTON
ENGINE VENT
CLUTCH
TRANSMISSION I - MAIN SHAFT
TRANSMISSION II - COUNTERSHAFT
SHIFTING MECHANISM
WATER PUMP
COOLING SYSTEM
VALVE DRIVE
TIMING DRIVE
CYLINDER HEAD
LUBRICATING SYSTEM
IGNITION SYSTEM
ELECTRIC STARTER
Fuel Your Passion
Parts That Keep You Riding
Edit ride