65 SX <2008>
FRONT FORK, TRIPLE CLAMP
Special tools (engine)
FRONT FORK DISASSEMBLED
HANDLEBAR, CONTROLS
SHOCK ABSORBER DISASSEMBLED
EXHAUST SYSTEM
AIR FILTER
TANK, SEAT
MASK, FENDERS
DECAL
FRONT WHEEL
REAR WHEEL
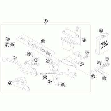
FRONT BRAKE CONTROL
REAR BRAKE CONTROL
FRONT BRAKE CALIPER
REAR BRAKE CALIPER
ENGINE CASE
CYLINDER
CRANKSHAFT, PISTON
CARBURETOR
CLUTCH
TRANSMISSION
KICK STARTER
SHIFTING MECHANISM
COOLING SYSTEM
IGNITION SYSTEM
FRAME
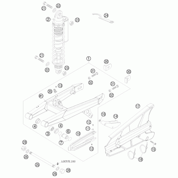
SHOCK ABSORBER
ACCESSORY PACK
Fuel Your Passion
Parts That Keep You Riding
Edit ride