400L 6X6 - W968740 OEM Parts
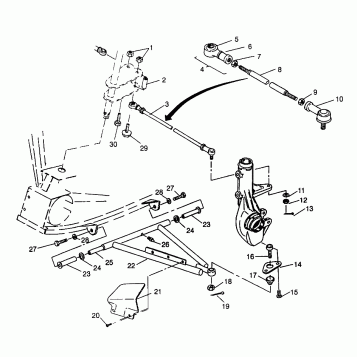
A-ARM/STRUT MOUNTING 6X6 400L - W968740 and 6X6 400L Norwegian - N968740 (4935963596B012)
View details
BUMPER/RACK MOUNTING 6X6 400L - W968740 and 6X6 400L Norwegian - N968740 (4935963596A007)
View details
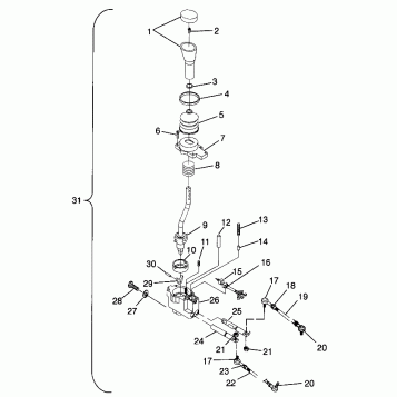
CONTROLS - MASTER CYLINDER/BRAKE LINE 6X6 400L - W968740 and 6X6 400L Norw (4935963596B014)
View details
CONTROLS - RH MASTER CYLINDER/BRAKE LINE 6X6 400L W968740 and 6X6 400L Norw (4935963596C002)
View details
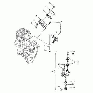
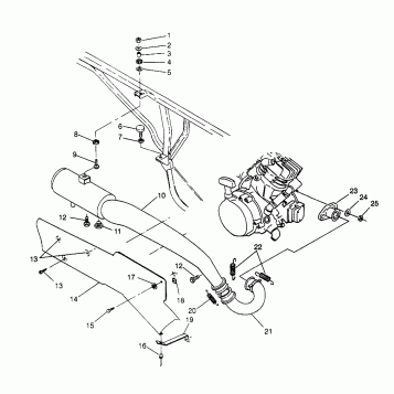
CONTROLS - THROTTLE ASM./CABLE 6X6 400L - W968740 and 6X6 400L Norwegian - (4935963596B013)
View details
CRANKCASE and CYLINDER 6X6 400L W968740 and 6X6 400L Norwegian N968740 (4935963596D009)
View details
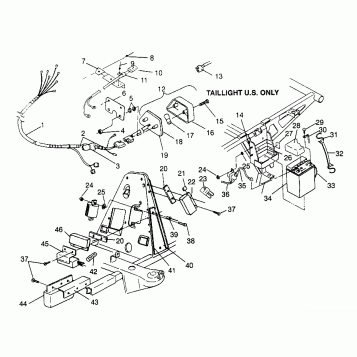
ELECTRICAL/TAILLIGHT 6X6 400L - W968740 and 6X6 400L Norwegian - N968740 (4935963596D003)
View details
GEARCASE/BRAKE and CHAIN COVER MOUNTING 6X6 400L W968740 and 6X6 400L Norwe (4935963596C013)
View details
PISTON and CRANKSHAFT 6X6 400L - W968740 and 6X6 400L Norwegian - N968740 (4935963596D008)
View details
REAR STRUT STABILIZER 6X6 400L - W968740 and 6X6 400L Norwegian - N968740 (4935963596D001)
View details
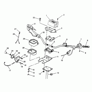
STEERING - HANDLEBAR 6X6 400L - W968740 and 6X6 400L Norwegian - N968740 (4935963596B010)
View details
SWING ARM WELDMENT (REAR) 6X6 400L - W968740 and 6X6 400L Norwegian - N968 (4935963596D002)
View details
SWING ARM/GUARD MOUNTING 6X6 400L - W968740 and 6X6 400L Norwegian - N9687 (4935963596C008)
View details
