- Partiron
- OEM Parts
- Polaris
- ATV
- 1996
- 400L 6X6 - W968740
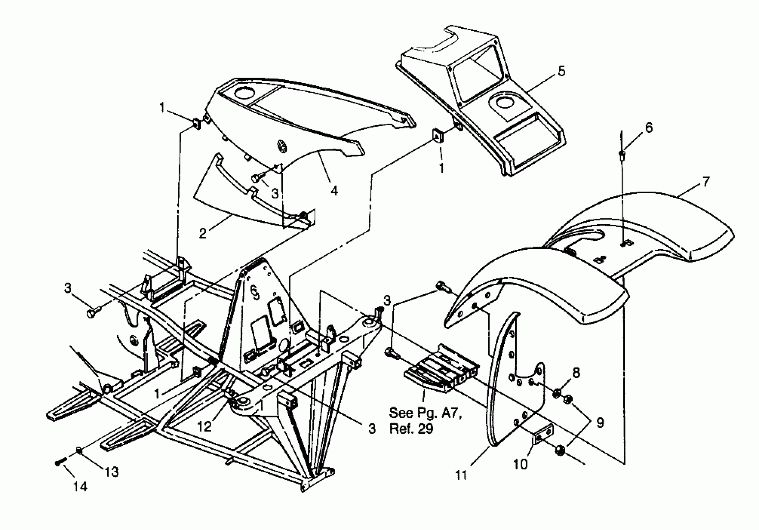
FRONT CAB 6X6 400L - W968740 and 6X6 400L Norwegian - N968740 (4935963596A005)
Polaris 400L 6X6 - W968740 FRONT CAB 6X6 400L - W968740 and 6X6 400L Norwegian - N968740 (4935963596A005) Diagram
#
Description
Price
2
COVER,RH,SIDEPANEL, GRN. Substituted by 5433579-195 (Green) RH
5430971-195
Unavailable
2
COVER,LH,SIDEPANEL,GRN. Substituted by 5433382-195 (Green) LH
5430970-195
Unavailable
4
COVER,FUELTANK,GREEN (Green)
5431263-195
Unavailable
5
Cover, Headlamp (See Pg. Ref.)
-------
Unavailable
7
CAB ASM,FR,LIQ,GR. (Incl. Warning Decals)
2631704-195
Unavailable
10
BRKT, LH MUD FLAP
5211131-067
Unavailable
10
BRKT,RH MUD FLAP
5211020-067
Unavailable
11
MUDFLAP,RH,FRONT
5850129
Unavailable
11
MUDFLAP,LH,FRONT
5850128
Unavailable
12
PLUG,RUBBER-HOLE,.5DIA(10) Substituted by 5411426
5410012
Unavailable
