250 XC-F 2012
DIAGNOSTIC TOOL
FRONT FORK, TRIPLE CLAMP
WP SHIMS FOR SETTING
FRONT FORK DISASSEMBLED
SHOCK ABSORBER DISASSEMBLED
FRONT WHEEL
REAR WHEEL
FRAME
SIDE / CENTER STAND
PRO LEVER LINKING
SWING ARM
EXHAUST SYSTEM
FUEL PUMP
MASK, FENDERS
BATTERY
FRONT BRAKE CONTROL
FRONT BRAKE CALIPER
REAR BRAKE CALIPER
HANDLEBAR, CONTROLS
SHOCK ABSORBER
AIR FILTER
TANK, SEAT
DECAL
WIRING HARNESS
REAR BRAKE CONTROL
ACCESSORY PACK
CLUTCH COVER
TRANSMISSION I - MAIN SHAFT
TRANSMISSION II - COUNTERSHAFT
KICK STARTER
SHIFTING MECHANISM
VALVE DRIVE
TIMING DRIVE
LUBRICATING SYSTEM
IGNITION SYSTEM
THROTTLE BODY
ENGINE CASE
CYLINDER
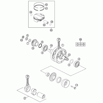
CRANKSHAFT, PISTON
CLUTCH
COOLING SYSTEM
CYLINDER HEAD
ELECTRIC STARTER
Fuel Your Passion
Parts That Keep You Riding
Edit ride