1190 RC8 ORANGE 2010
DIAGNOSTIC TOOL
FRONT FORK, TRIPLE CLAMP
WP SHIMS FOR SETTING
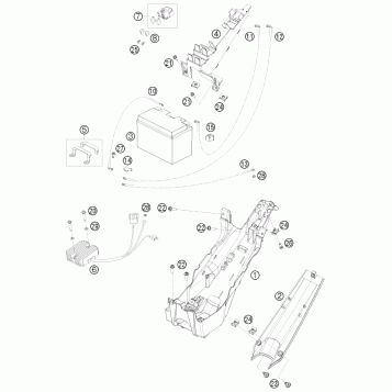
FUEL PUMP
DECAL
FRONT BRAKE CONTROL
FRONT BRAKE CALIPER
FRONT FORK DISASSEMBLED
HANDLEBAR, CONTROLS
FRAME
SIDE / CENTER STAND
SHOCK ABSORBER
PRO LEVER LINKING
SWING ARM
EXHAUST SYSTEM
AIR FILTER
FRONT WHEEL
REAR WHEEL
WIRING HARNESS
BATTERY
REAR BRAKE CONTROL
REAR BRAKE CALIPER
LIGHTING SYSTEM
INSTRUMENTS / LOCK SYSTEM
ACCESSORY PACK
ENGINE CASE
CLUTCH COVER
BALANCER SHAFT
CYLINDER
CRANKSHAFT, PISTON
SECONDARY AIR SYSTEM SAS
CLUTCH
TRANSMISSION I - MAIN SHAFT
TRANSMISSION II - COUNTERSHAFT
SHIFTING MECHANISM
WATER PUMP
COOLING SYSTEM
VALVE DRIVE
TIMING DRIVE
CYLINDER HEAD REAR
CYLINDER HEAD FRONT
LUBRICATING SYSTEM
IGNITION SYSTEM
ELECTRIC STARTER
THROTTLE BODY
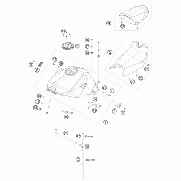
TANK, SEAT
MASK, FENDERS
Fuel Your Passion
Parts That Keep You Riding
Edit ride