TRAIL BOSS - W948527
AIR BOX ASSEMBLY Trail Boss W948527 (4926822682A013)
BUMPER and RACK MOUNTING Trail Boss W948527 (4926822682A007)
CARBURETOR - W948527 (4926822682C011)
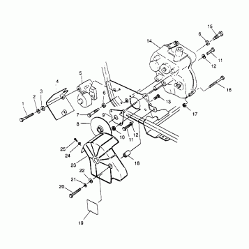
CLUTCH COVER ASSEMBLY Trail Boss W948527 (4926822682B011)
CONTROLS - MASTER CYLINDER/BRAKE LINE Trail Boss W948527 (4926822682B007)
CONTROLS - THROTTLE ASM./CABLE Trail Boss W948527 (4926822682B006)
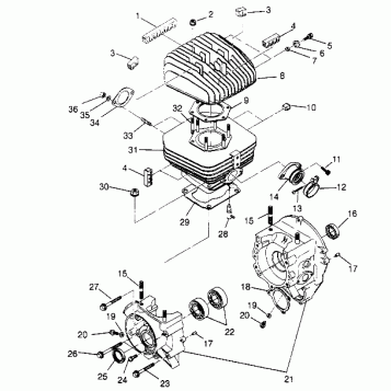
CRANKCASE and CYLINDER - W948527 (4926822682C005)
CRANKSHAFT and PISTON - W948527 (4926822682C006)
DRIVE CLUTCH ASSEMBLY Trail Boss W948527 (4926822682B009)
DRIVEN CLUTCH ASSEMBLY Trail Boss W948527 (4926822682B010)
ELECTRICAL/TAILLIGHT ASSEMBLY - W948527 (4926822682C002)
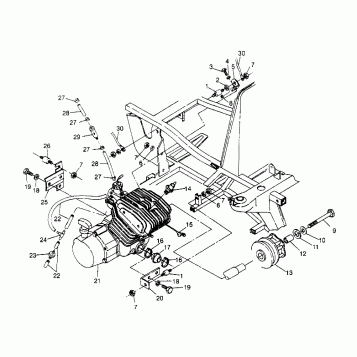
ENGINE MOUNTING Trail Boss W948527 (4926822682A008)
EXHAUST ASSEMBLY Trail Boss W948527 (4926822682A009)
FRONT BRAKE ASSEMBLY Trail Boss W948527 (4926822682B002)
FRONT CAB ASSEMBLY Trail Boss W948527 (4926822682A005)
FRONT WHEEL ASSEMBLY Trail Boss W948527 (4926822682B001)
FUEL TANK ASSEMBLY Trail Boss W948527 (4926822682A010)
GEARCASE ASSEMBLY - W948527 (4926822682C003)
GEARCASE/BRAKE MOUNTING Trail Boss W948527 (4926822682B012)
HEADLIGHT ASSEMBLY Trail Boss W948527 (4926822682A012)
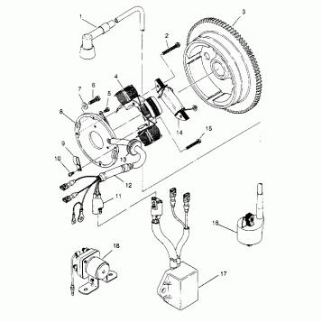
MAGNETO ASSEMBLY - W948527 (4926822682C007)
OIL PUMP ASSEMBLY - W948527 (4926822682C010)
OIL TANK ASSEMBLY Trail Boss W948527 (4926822682A011)
REAR BRAKE ASSEMBLY Trail Boss W948527 (4926822682B013)
REAR CAB ASSEMBLY Trail Boss W948527 (4926822682A006)
REAR WHEEL DRIVE ASSEMBLY - W948527 (4926822682C001)
RECOIL STARTER - W948527 (4926822682C009)
SHIFT LINKAGE ASSEMBLY Trail Boss W948527 (4926822682B014)
STARTING MOTOR - W948527 (4926822682C008)
STEERING - HANDLEBAR Trail Boss W948527 (4926822682B003)
STEERING POST ASSEMBLY Trail Boss W948527 (4926822682B004)
STEERING/A-ARM Trail Boss W948527 (4926822682B005)
STRUT ASSEMBLY Trail Boss W948527 (4926822682A014)
SWING ARM/SHOCK MOUNTING Trail Boss W948527 (4926822682B008)
TOOL KIT ASSEMBLY - W948527 (4926822682C012)
Fuel Your Passion
Parts That Keep You Riding
Edit ride