SPORTSMAN 800 EFI - A06MH76AL
A-ARM and STRUT MOUNTING - A06MH76AL/AQ/AT/AX/AY/AZ (4999200299920029C03)
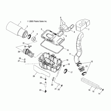
AIR BOX - A06MH76AL/AQ/AT/AX/AY/AZ (4999200299920029A13)
BRAKE LINES, FRONT - A06MH76AL/AQ/AT/AX/AY/AZ (4999200059920005B04)
BRAKE, FRONT - A06MH76AL/AQ/AT/AX/AY/AZ (4999206649920664B04)
BUMPER MOUNTING - A06MH76AL/AQ/AT/AX/AY/AZ (4999205499920549A06)
CAB, FRONT - A06MH76AL/AQ/AT/AX/AY/AZ (4999200299920029A04)
CAB, REAR and SEAT - A06MH76AL/AQ/AT/AX/AY/AZ (4999200299920029A03)
CALIPER, REAR - A06MH76AL/AQ/AT/AX/AY/AZ (4999200139920013B05)
CLUTCH COVER - A06MH76AL/AQ/AT/AX/AY/AZ (4994279427C12)
CONTROLS - A06MH76AL/AQ/AT/AX/AY/AZ (4999200299920029B01)
CONTROLS-THROTTLE ASM./CABLE - A06MH76AL/AQ/AT/AX/AY/AZ (4999201649920164B07)
COOLING SYSTEM - A06MH76AL/AQ/AT/AX/AY/AZ (4999200299920029A11)
CRANKCASE and CRANKSHAFT - A06MH76AL/AQ/AT/AX/AY/AZ (4999200299920029D06)
DECALS - A06MH76AL/AQ/AT/AX/AY/AZ (4999200299920029A09)
DIPSTICK and OIL FILTER - A06MH76AL/AQ/AT/AX/AY/AZ (4999200229920022D10)
DRIVE CLUTCH and MOUNTING - A06MH76AL/AQ/AT/AX/AY/AZ (4999200229920022C05)
DRIVE SHAFT, FRONT - A06MH76AL/AQ/AT/AX/AY/AZ (4999200299920029B07)
DRIVE SHAFT, REAR - A06MH76AL/AQ/AT/AX/AY/AZ (4999200179920017B09)
DRIVEN CLUTCH - A06MH76AL/AQ/AT/AX/AY/AZ (4999200299920029C07)
ELECTRICAL - A06MH76AL/AQ/AT/AX/AY/AZ (4999200299920029C12)
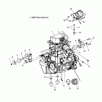
ENGINE MOUNTING - A06MH76AL/AQ/AT/AX/AY/AZ (4999200299920029A12)
EXHAUST SYSTEM - A06MH76AL/AQ/AT/AX/AY/AZ (4977217721A12)
FUEL INJECTOR - A06MH76AL/AQ/AT/AX/AY/AZ (4999200299920029D13)
FUEL TANK - A06MH76AL/AQ/AT/AX/AY/AZ (4999200299920029A14)
GEAR SELECTOR - A06MH76AL/AQ/AT/AX/AY/AZ (4999609960C08)
GEARCASE - A06MH76AL/AQ/AT/AX/AY/AZ (4999200179920017C13)
GEARCASE MOUNTING, REAR - A06MH76AL/AQ/AT/AX/AY/AZ (4999200229920022D04)
GEARCASE, INTERNAL - A06MH76AL/AQ/AT/AX/AY/AZ (4999200229920022C14)
GEARCASE, OUTPUT SHAFT - A06MH76AL/AQ/AT/AX/AY/AZ (4999200229920022D01)
GEARCASE, REAR - A06MH76AL/AQ/AT/AX/AY/AZ (4994229422D05)
GUN BOOT - A06MH76AT (49ATVGUNBOOT07500EFI)
HANDLEBAR and CONTROLS - A06MH76AL/AQ/AT/AX/AY/AZ (49ATVHANDLEBAR07800EFI)
HEADLIGHT POD and SPEEDOMETER - A06MH76AL/AQ/AT/AX/AY/AZ (49ATVHEADLIGHT07500EFI)
HOUSING, FRONT (DEMAND DRIVE) - A06MH76AL/AQ/AT/AX/AY/AZ (4999201699920169C03)
INTAKE - A06MH76AL/AQ/AT/AX/AY/AZ (4999200299920029D10)
MAGNETO - A06MH76AL/AQ/AT/AX/AY/AZ (4999200299920029D14)
MANIFOLD and THERMOSTAT - A06MH76AL/AQ/AT/AX/AY/AZ (4999200229920022D05)
MASTER CYLINDER, REAR and FOOT PEDAL - A06MH76AL/AQ/AT/AX/AY/AZ (4999200299920029B05)
OIL PUMP and WATER PUMP - A06MH76AL/AQ/AT/AX/AY/AZ (4999200299920029D12)
PISTON and CYLINDER - A06MH76AL/AQ/AT/AX/AY/AZ (4999200229920022D07)
PROP SHAFT, FRONT - A06MH76AL/AQ/AT/AX/AY/AZ (4999200179920017B10)
PROP SHAFT, REAR - A06MH76AL/AQ/AT/AX/AY/AZ (4999200299920029B10)
RACK MOUNTING, REAR - A06MH76AL/AQ/AT/AX/AY/AZ (4999200299920029A05)
STARTING MOTOR - A06MH76AL/AQ/AT/AX/AY/AZ (4999200299920029E01)
STEERING POST - A06MH76AL/AQ/AT/AX/AY/AZ (4999200139920013C03)
STORAGE BOX, REAR - A06MH76AL/AQ/AT/AX/AY/AZ (4999200299920029A08)
STORAGE, FRONT - A06MH76AL/AQ/AT/AX/AY/AZ (4999200299920029A07)
STRUT, FRONT - A06MH76AL/AQ/AT/AX/AY/AZ (4999609960C02)
SUSPENSION, REAR - A06MH76AL/AQ/AT/AX/AY/AZ (4999200299920029C11)
TAILLAMPS/WORKLAMPS/HEADLIGHTS - A06MH76AL/AQ/AT/AX/AY/AZ (4999200139920013C01)
THROTTLE BODY MOUNTING - A06MH76AL/AQ/AT/AX/AY/AZ (4999200299920029D09)
TOOL KIT - A06MH76AL/AQ/AT/AX/AY/AZ (4999200229920022E01)
TRANSMISSION MOUNTING - A06MH76AL/AQ/AT/AX/AY/AZ (4999200299920029C13)
WHEEL, FRONT - A06MH76AL/AY/AZ (4999200299920029C01)
WHEEL, FRONT - A06MH76AQ/AT/AX (4994169416B14)
WHEEL, REAR - A06MH76AL/AY/AZ (4999200299920029C10)
WHEEL, REAR - A06MH76AQ/AT/AX (4999200179920017C11)
WINCH - A06MH76AT (49ATVWINCH07500EFI)
Fuel Your Passion
Parts That Keep You Riding
Edit ride