SPORTSMAN 600 - A03CH59AA
A-ARM/STRUT MOUNTING - A03CH59AA/AF/AG (4987438743B06)
AIR BOX - A03CH59AA/AF/AG (4977187718B01)
CARBURETOR - A03CH59AA/AF/AG (4994229422D11)
CARBURETOR MOUNTING - A03CH59AA/AF/AG (100450)
CLUTCH COVER - A03CH59AA/AF/AG (4986128612C05)
CONTROLS-MASTER CYLINDER/BRAKE LINE - A03CH59AA/AF/AG (4975217521A08)
CONTROLS-THROTTLE ASM/CABLE - A03CH59AA/AF/AG (4999201649920164B07)
COOLING SYSTEM - A03CH59AA/AF/AG (4975557555A10)
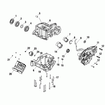
CRANKCASE - A03CH59AA/AF/AG (4977187718D03)
CRANKSHAFT and PISTON - A03CH59AA/AF/AG (4994199419D08)
CYLINDER and CYLINDER HEAD - A03CH59AA/AF/AG (4986128612D05)
DECALS - A03CH59AA/AF/AG (4977187718A09)
DRIVE CLUTCH - A03CH59AA/AF/AG (4994279427C10)
DRIVEN CLUTCH - A03CH59AA/AF/AG (4977187718C02)
ELECTRICAL/TAILLIGHT - A03CH59AA/AF/AG (4977187718C07)
ENGINE MOUNTING - A03CH59AA/AF/AG (4977187718A13)
EXHAUST SYSTEM - A03CH59AA/AF/AG (4977187718A11)
FRONT BRAKE - A03CH59AA/AF/AG (4987288728B07)
FRONT CAB - A03CH59AA/AF/AG (4977187718A05)
FRONT DRIVE SHAFT - A03CH59AA/AF/AG (4987438743B02)
FRONT HOUSING - A03CH59AA/AF/AG (4975557555C11)
FRONT HOUSING - A03CH59AA/AF/AG (4977187718C11)
FRONT PROP SHAFT - A03CH59AA/AF/AG (4977187718B04)
FRONT RACK AND BUMPER MOUNTING - A03CH59AA/AF/AG (4977187718A07)
FRONT STRUT - A03CH59AA/AF/AG (4964026402B007)
FRONT WHEEL - A03CH59AA/AF/AG (4977187718B07)
FUEL TANK - A03CH59AA/AF/AG (4977187718A12)
GEAR SELECTOR - A03CH59AA/AF/AG (4987288728C05)
GEARCASE - A03CH59AA/AF/AG (4977187718C13)
HANDLEBAR AND HEADLIGHT POD - A03CH59AA/AF/AG (4977187718B13)
INTAKE and EXHAUST - A03CH59AA/AF/AG (4999200179920017D11)
MAGNETO - A03CH59AA/AF/AG (4977187718D13)
OIL DIPSTICK - A03CH59AA/AF/AG (4999200179920017D12)
OIL PUMP - A03CH59AA/AF/AG (4999200179920017D14)
REAR CAB, SEAT AND MAIN FRAME - A03CH59AA/AF/AG (4977187718A03)
REAR CALIPER - A03CH59AA/AF/AG (4977187718C09)
REAR DRIVE SHAFT - A03CH59AA/AF/AG (4986108610B03)
REAR GEARCASE - A03CH59AA/AF/AG (4987468746D01)
REAR GEARCASE MOUNTING - A03CH59AA/AF/AG (4987468746D02)
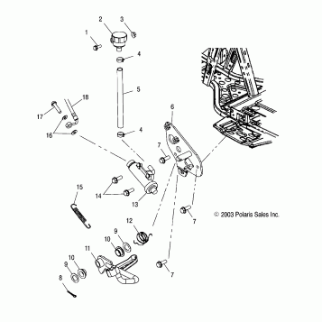
REAR MASTER CYLINDER/FOOT PEDAL - A03CH59AA/AF/AG (4987438743B12)
REAR PROP SHAFT - A03CH59AA/AF/AG (4999200299920029B10)
REAR RACK MOUNTING - A03CH59AA/AF/AG (4977187718A06)
REAR SUSPENSION - A03CH59AA/AF/AG (4977187718C05)
REAR WHEEL DRIVE - A03CH59AA/AF/AG (4986108610C04)
STARTING MOTOR - A03CH59AA/AF/AG (4994199419E04)
STEERING POST - A03CH59AA/AF/AG (4977187718B11)
TOOL KIT - A03CH59AA/AF/AG (4986128612E01)
TRANSMISSION MOUNTING - A03CH59AA/AF/AG (4975557555C12)
WATER PUMP - A03CH59AA/AF/AG (4986128612D11)
Fuel Your Passion
Parts That Keep You Riding
Edit ride