RZR 800 EFI - R10VH76 ALL OPTIONS/VY76AZ OEM Parts
BRAKES, BRAKE LINES and MASTER CYLINDER - R10VH76 ALL OPTIONS/VY76AZ (49RGRBRAKELINES10RZR)
View details
DRIVE TRAIN, CLUTCH COVER and DUCTING - R10VH76 ALL OPTIONS/VY76AZ (49RGRCLUTCHCVR08VISTA)
View details
DRIVE TRAIN, FRONT GEARCASE MOUNTING - R10VH76 ALL OPTIONS/VY76AZ (49RGRGEARCASEMTG10RZR)
View details
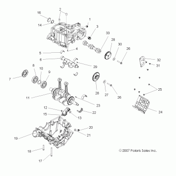
DRIVE TRAIN, GEARCASE, CARRIER, INTERNALS - R10VH76 ALL OPTIONS/VY76AZ (49RGRGEARCASERR10RZRS)
View details
ELECTRICAL, DASH INSTRUMENTS and CONTROLS - R10VH76 ALL OPTIONS/VY76AZ (49RGRDASH10RZR)
View details
ELECTRICAL, HEADLIGHTS, TAILLIGHTS and BULBS - R10VH76 ALL OPTIONS/VY76AZ (49RGRTAILLAMPS09RZR)
View details
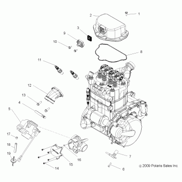
ENGINE, THROTTLE BODY and VALVE COVER - R10VH76 ALL OPTIONS/VY76AZ (49RGRTHROTTLEBODY08VISTA)
View details
SUSPENSION, REAR SHOCK MOUNTING - R10VH76AA/AC/AD/AE/AF/AG/AJ/AK/AS/AT/VY76AZ (49RGRSHOCKMTGRR09RZR)
View details
SUSPENSION, STABILIZER BAR, FRONT - R10VH76 ALL OPTIONS/VY76AZ (49RGRSTABILIZERFRT09RZR)
View details
