RM125 (1979)
AIR CLEANER
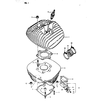
CARBURETOR
CHAIN GUIDE (RM125N)
CHAIN GUIDE (RM125T)
CLUTCH
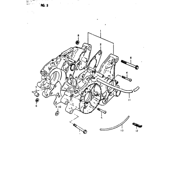
CRANKCASE
CRANKCASE COVER
CRANKSHAFT
CYLINDER
ELECTRICAL
FRAME - SEAT
FRAME COVER
FRONT FENDER
FRONT FORK (RM125N)
FRONT FORK (RM125T)
FRONT WHEEL
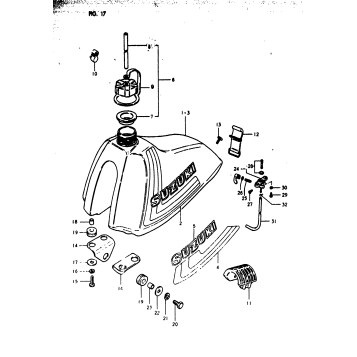
FUEL TANK
GEAR SHIFTING
HANDLE GLIP - LEVER (RM125N)
HANDLE GLIP - LEVER (RM125T)
HANDLEBAR
KICK STARTER
MAGNETO
MUFFLER
OPTIONAL
REAR BRAKE
REAR FENDER
REAR SWINGING ARM (RM125N)
REAR SWINGING ARM (RM125T)
REAR WHEEL
STAND - FOOTREST
TRANSMISSION
Fuel Your Passion
Parts That Keep You Riding
Edit ride