OR50 (1979)
AIR CLEANER
BRAKE PEDAL
CARBURETOR
CLUTCH
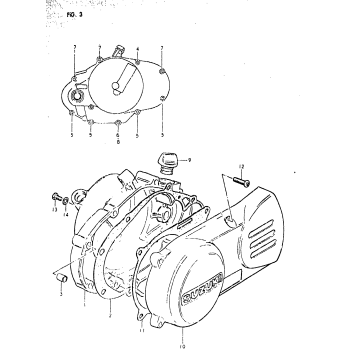
CRANKCASE
CRANKCASE COVER
CRANKSHAFT
CYLINDER
ELECTRICAL (1)
ELECTRICAL (2)
FENDER
FRAME
FRONT FORK (OR50N)
FRONT FORK (OR50T)
FRONT WHEEL
FUEL COCK
FUEL TANK
GEAR SHIFTING
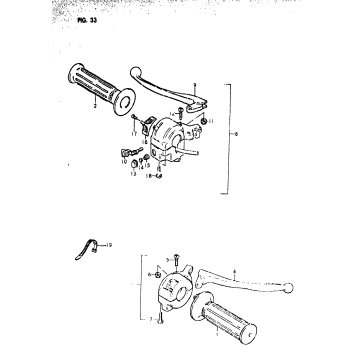
HANDLE SWITCH (OR50N)
HANDLE SWITCH (OR50T)
HANDLEBAR - CABLE
HEADLAMP
KICK STARTER
MAGNETO
MUFFLER
OIL PUMP
OIL TANK - FRAME COVER
OPTIONAL
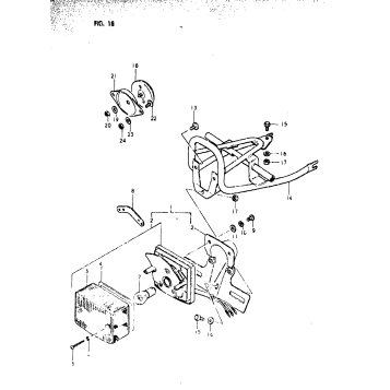
REAR COMBINATION LAMP
REAR SWINGING ARM
REAR WHEEL
SEAT
SEAT TEAL COVER
SPEEDOMETER (OR50N)
SPEEDOMETER (OR50T)
TRANSMISSION
TURN SIGNAL LAMP
Fuel Your Passion
Parts That Keep You Riding
Edit ride