- Partiron
- OEM Parts
- Suzuki
- Motorcycle
- 1980
- OR50 (1980)
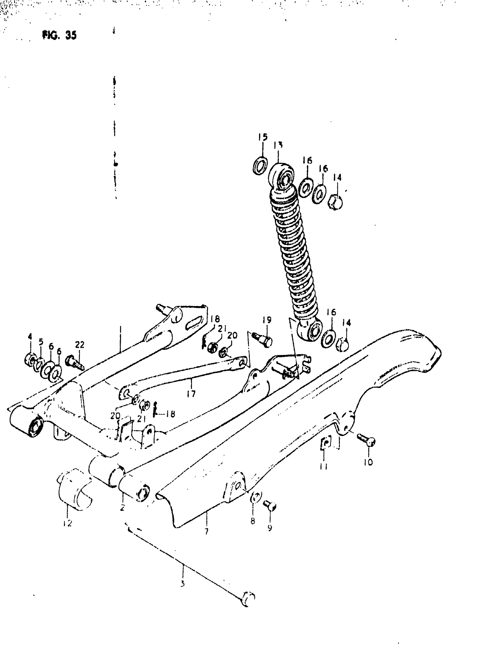
REAR SWINGING ARM
Suzuki OR50 (1980) REAR SWINGING ARM Diagram
#
Description
Price
1
NO DESCRIPTION AVAILABLE | N This part replaces 61100-46830-019.
61000-46201-019
Unavailable
1
NO DESCRIPTION AVAILABLE | T; Includes Item(s) 2 This part replaces 61100-46831-019.
61000-46201-019
Unavailable
3
SHAFT, PIVOT | N,T
61211-25001
Unavailable
7
NO DESCRIPTION AVAILABLE | N,T This part replaces 61311-46200-019.
61311-46201-019
Unavailable
11
NUT | N,T
61316-43000
Unavailable
13
NO DESCRIPTION AVAILABLE | N,T This part replaces 62100-46202.
62100-46401
Unavailable
17
NO DESCRIPTION AVAILABLE | N,T This part replaces 64311-46200.
64311-46200-019
Unavailable
