MX Z 500/600/700, 2001
01- Cooling System
01- Crankcase, Water Pump And Oil Pump
01- Crankshaft And Pistons
01- Crankshaft And Pistons 2
01- Cylinder, Exhaust Manifold, Reed Valve
01- Engine Support And Muffler
02- Air Intake System ( X, Adrenaline)
02- Air Intake System - Standard-trail
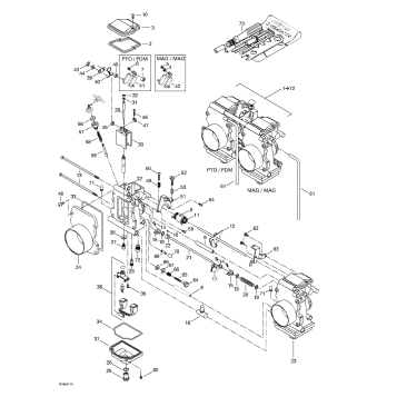
02- Carburetors
02- Carburetors 2
02- Fuel System
02- Fuel System 2
02- Oil Tank
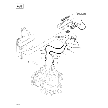
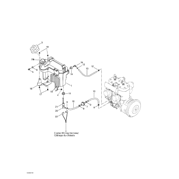
03- Ignition
03- Ignition 2
03- Magneto (12V, 290W)
04- Rewind Starter
05- Chaincase
05- Drive Axle And Track
05- Drive Pulley
05- Driven Pulley
06- Hydraulic Brake And Belt Guard
07- Front Suspension And Ski
07- Front Take Apart Shocks
07- Steering System
08- Front Arm, Rear Suspension
08- Rear Arm, Rear Suspension
08- Rear Suspension
08- Rear Take Apart Shocks
09- Bottom Pan
09- Cab, Console
09- Decals
09- Frame And Accessories
09- Seat And Accessories
10- Electrical System
Fuel Your Passion
Parts That Keep You Riding
Edit ride