Ski-Doo MX Z 500/600/700, 2001 Cooling System Diagram
#
Description
Price
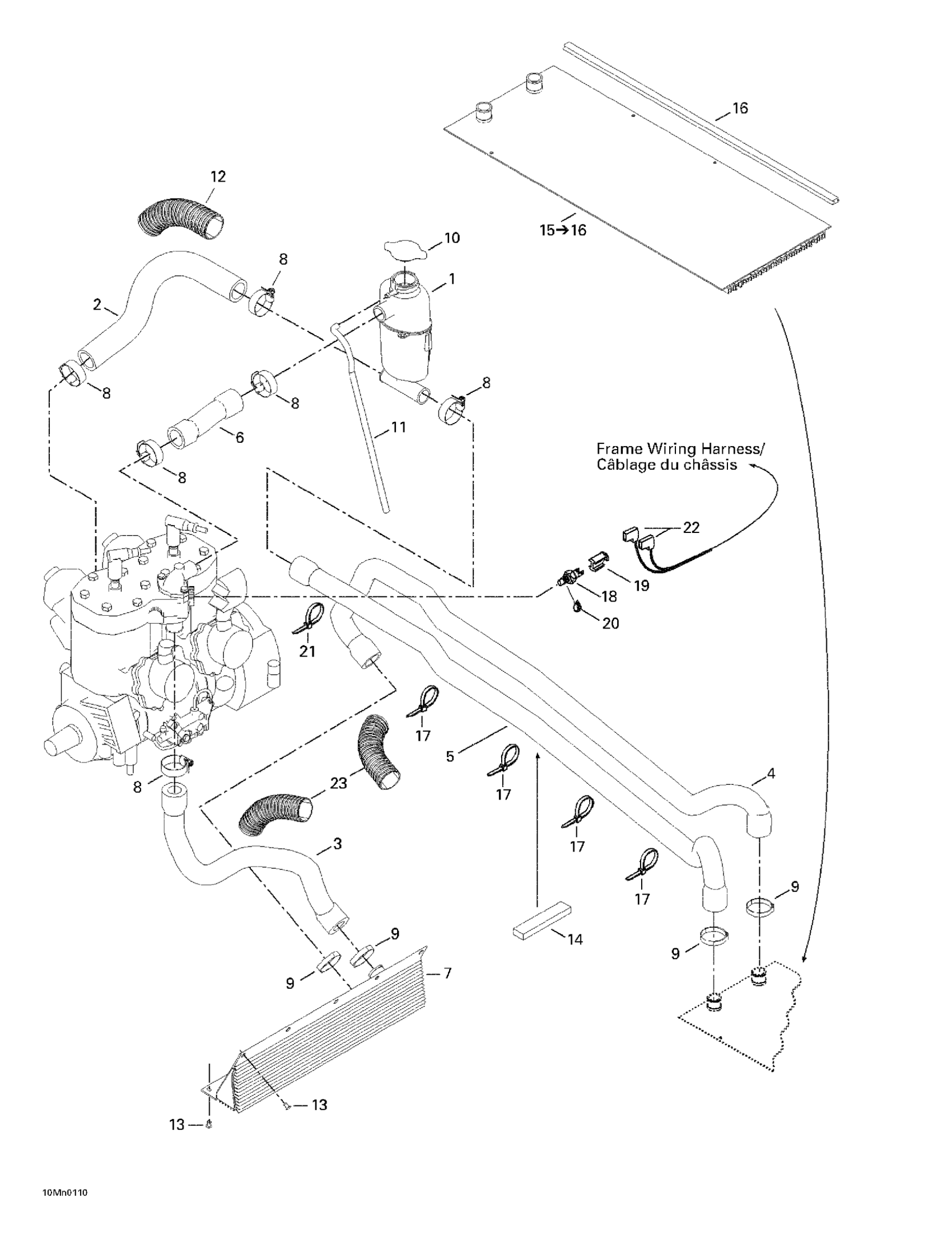
2
Engine Inlet Hose
509000001
Unavailable
3
ENGINE OUTLET HOSE - Call your local BRP dealership | Grand Touring 500.
509000046
Unavailable
4
RADIATOR INLET HOSE - Call your local BRP dealership | Grand Touring 500.
509000003
Unavailable
5
Radiator Outlet Hose | Grand Touring 500.
509000004
Unavailable
6
Deviation Hose | Grand Touring 500.
509000112
Unavailable
7
Front Radiator | Grand Touring 500.
517297100
Unavailable
8
TRIDON GEAR CLAMP - Call your local BRP dealership
408800400
Unavailable
12
Was 415084700 Protective Shield | Grand Touring 500.
219704413
Unavailable
15
Rear Radiator | Includes 29 - 30.
517296300
Unavailable
16
Radiator Protector
518321655
Unavailable
18
Temperature Sensor | Grand Touring 500.
512047000
Unavailable
19
Connector Plug | Grand Touring 500.
515175297
Unavailable
