SL125A MOTORCYCLE, JPN, VIN# SL125S-1000001 TO SL125S-1038068
FRAME
AIR CLEANER + TOOL BOX
CARBURETOR
CAMSHAFT + VALVE
CLUTCH
CRANKSHAFT + PISTON
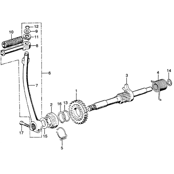
GEARSHIFT
TOOLS
TRANSMISSION
FRONT WHEEL
MUFFLER
REAR WHEEL
TAILLIGHT
FRONT FORK
CYLINDER + CYLINDER HEAD
KICK STARTER
SWINGARM + CHAIN CASE
WIRE HARNESS + BATTERY
POINTS + SPARK ADVANCER
CAM CHAIN TENSIONER + OIL FILTER SCREEN
FUEL TANK + FUEL VALVE
LEFT CRANKCASE COVER + ALTERNATOR
OIL FILTER ROTOR + OIL PUMP
RIGHT CRANKCASE COVER + CLUTCH LEVER
SHOCK ABSORBER
STEERING STEM + FRONT FENDER
HEADLIGHT + HEADLIGHT CASE
SPEEDOMETER + TACHOMETER
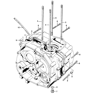
RIGHT CRANKCASE + LEFT CRANKCASE
SEAT + REAR FENDER + SIDE COVER
STEP BAR + SIDE STAND + BRAKEPEDAL
HANDLE + FORK TOP BRIDGE
TURN SIGNAL + SWITCHES + CABLES
Fuel Your Passion
Parts That Keep You Riding
Edit ride