- Partiron
- OEM Parts
- Honda
- MOTORCYCLE
- Models With No Year
- CB125S1A MOTORCYCLE, JPN, VIN# CB125S-1100001
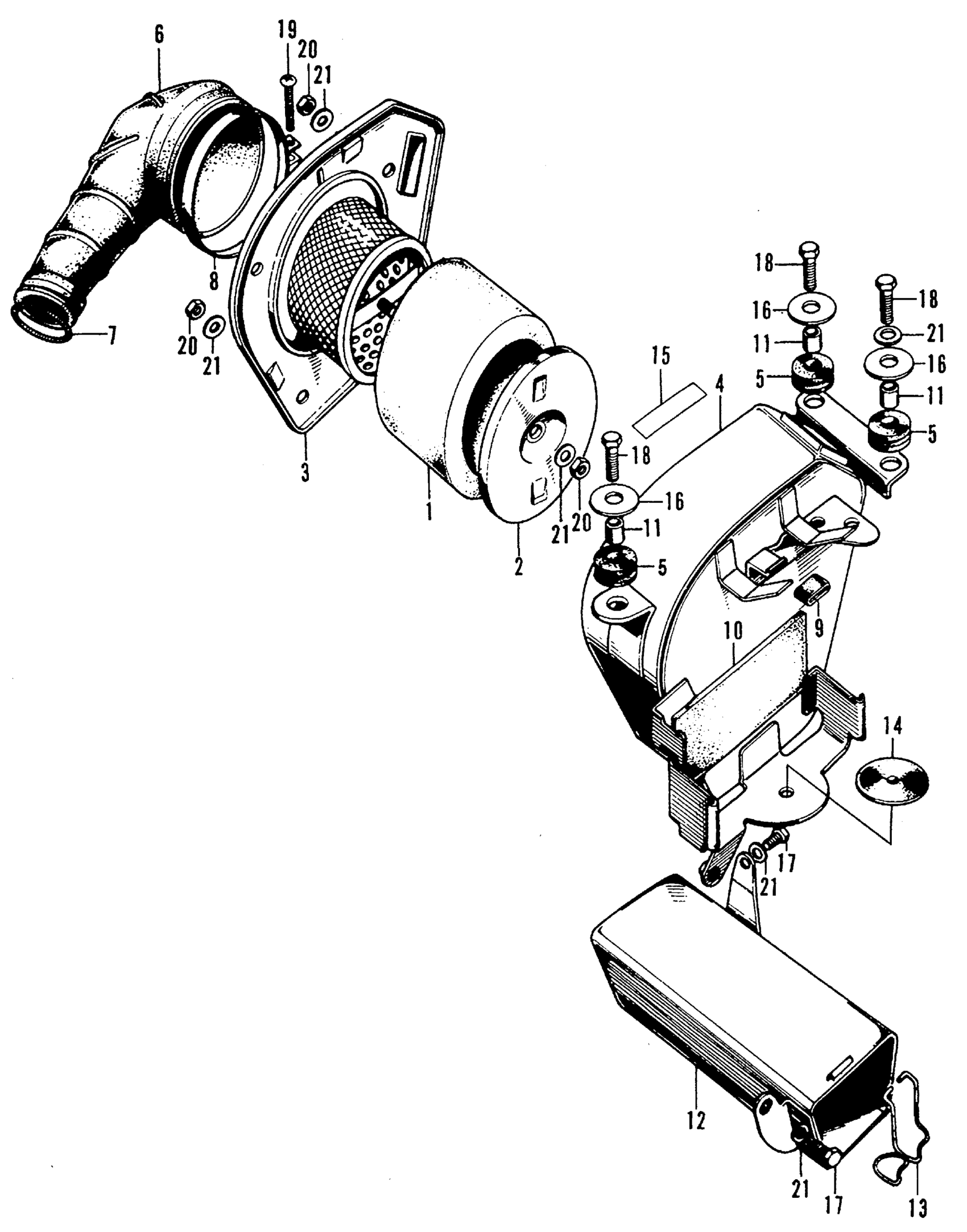
AIR CLEANER + TOOL BOX
Honda CB125S1A MOTORCYCLE, JPN, VIN# CB125S-1100001 AIR CLEANER + TOOL BOX Diagram
#
Description
Price
2
CAP, AIR CLEANER ELEMENT
17212-107-780
Unavailable
3
COVER ASSY., AIR CLEANER HOUSING (NOT AVAILABLE)
17228-107-780
Unavailable
4
HOUSING, AIR CLEANER (NOT AVAILABLE)
17230-107-710
Unavailable
6
TUBE, AIR CLEANER CONNECTING This part replaces 17253-107-780.
17253-107-782
Unavailable
6
TUBE, AIR CLEANER CONNECTING This part replaces 17253-107-781.
17253-107-782
Unavailable
6
TUBE, AIR CLEANER CONNECTING
17253-107-782
Unavailable
8
BAND, AIR CLEANER CONNECTING TUBE
17255-107-000
Unavailable
12
BOX, TOOL (NOT AVAILABLE)
83500-107-040
Unavailable
13
SPRING, TOOL BOX CAP (NOT AVAILABLE)
83510-107-000
Unavailable
15
LABEL, AIR CLEANER CAUTION
87506-340-670
Unavailable
16
WASHER, WHEEL (6MM)
90563-706-000
Unavailable
