S65A MOTORCYCLE, JPN, VIN# S65-A000001
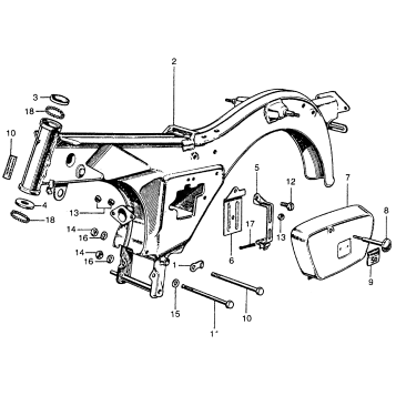
FRAME
CAM CHAIN + CAM CHAIN TENSIONER
FRONT FORK + FRONT FENDER
HEADLIGHT + TAILLIGHT
CAMSHAFT + VALVE
CLUTCH
CRANKSHAFT + PISTON
FUEL TANK
TRANSMISSION
HANDLEBAR
FRONT WHEEL
MUFFLER
REAR SHOCK ABSORBER
REAR WHEEL
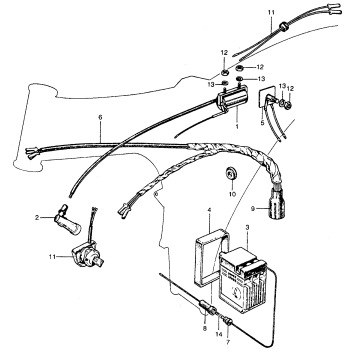
WIRE HARNESS
FRONT FORK
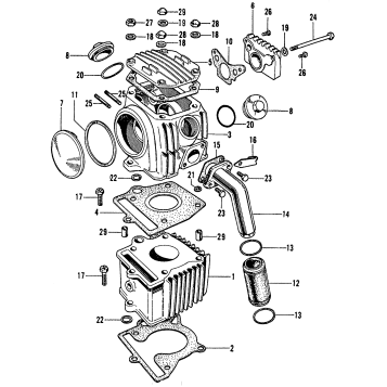
CYLINDER + CYLINDER HEAD
SWINGARM + CHAIN CASE
GEARSHIFT DRUM
STAND + STEP
GEAR CHANGE
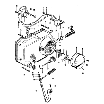
LEFT CRANKCASE COVER + ALTERNATOR
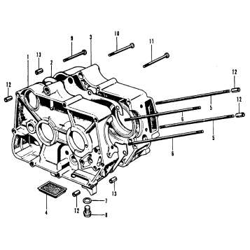
CRANKCASE + CYLINDER STUD
CARBURETOR (KEIHIN)
OIL PUMP (GEAR)
OIL PUMP (TROICHOID)
RIGHT CRANKCASE COVER + OILPIPE
SEAT + AIR CLEANER + TOOL
Fuel Your Passion
Parts That Keep You Riding
Edit ride