- Partiron
- OEM Parts
- Honda
- MOTORCYCLE
- Models With No Year
- S65A MOTORCYCLE, JPN, VIN# S65-A000001
FRAME
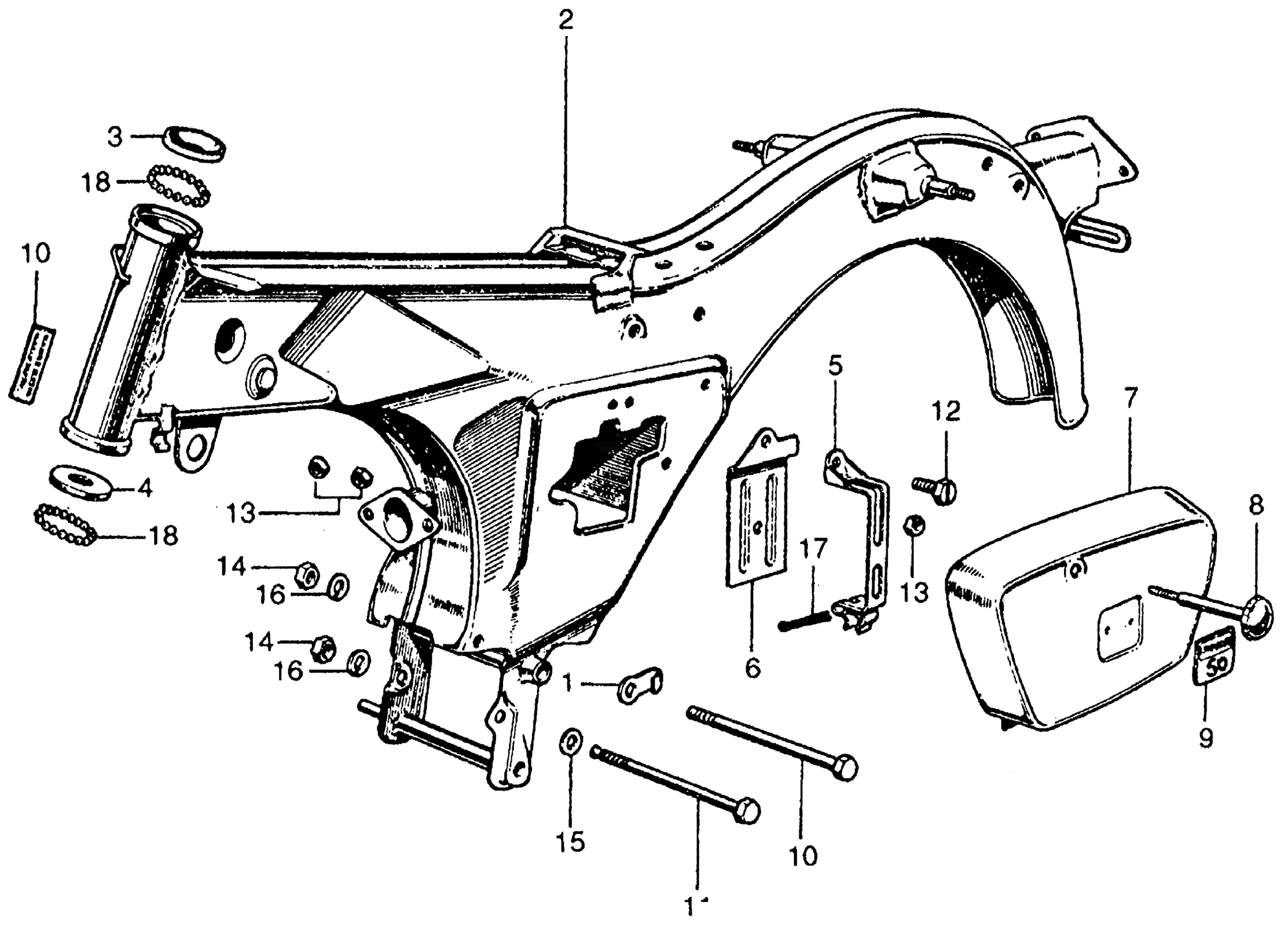
Honda S65A MOTORCYCLE, JPN, VIN# S65-A000001 FRAME Diagram
#
Description
Price
1
CLIP, OVERFLOW TUBE (NOT AVAILABLE)
17258-035-000
Unavailable
2
FRAME (PRIMER) (NOT AVAILABLE)
50100-035-810Z
Unavailable
5
BAND, BATTERY *NH1* This part replaces 50373-035-000Z.
50373-035-000B
Unavailable
6
PLATE, BATTERY SUPPORT (NOT AVAILABLE)
50381-035-000Z
Unavailable
7
BOX, BATTERY *NH0* (CHAMPIONSHIP WHITE) (NOT AVAILABLE)
83600-035-000A
Unavailable
7
BOX, BATTERY *NH1* (BLACK)
83600-035-000B
Unavailable
7
BOX, BATTERY *R2* (SCARLET) (NOT AVAILABLE)
83600-035-000C
Unavailable
8
LATCH, BATTERY BOX *NH1* (BLACK)
83650-035-000
Unavailable
8
LATCH, BATTERY BOX *NH1* (BLACK) This part replaces 83650-035-000B.
83650-035-000
Unavailable
9
EMBLEM, SIDE COVER (NOT AVAILABLE)
87127-035-680
Unavailable
10
BOLT, RR. ENGINE SUPPORT (NOT AVAILABLE)
90116-271-000
Unavailable
