- Partiron
- OEM Parts
- Honda
- MOTORCYCLE
- Models With No Year
- CM91A MOTORCYCLE, JPN, VIN# CM91-100001
CRANKCASE + CYLINDER STUD
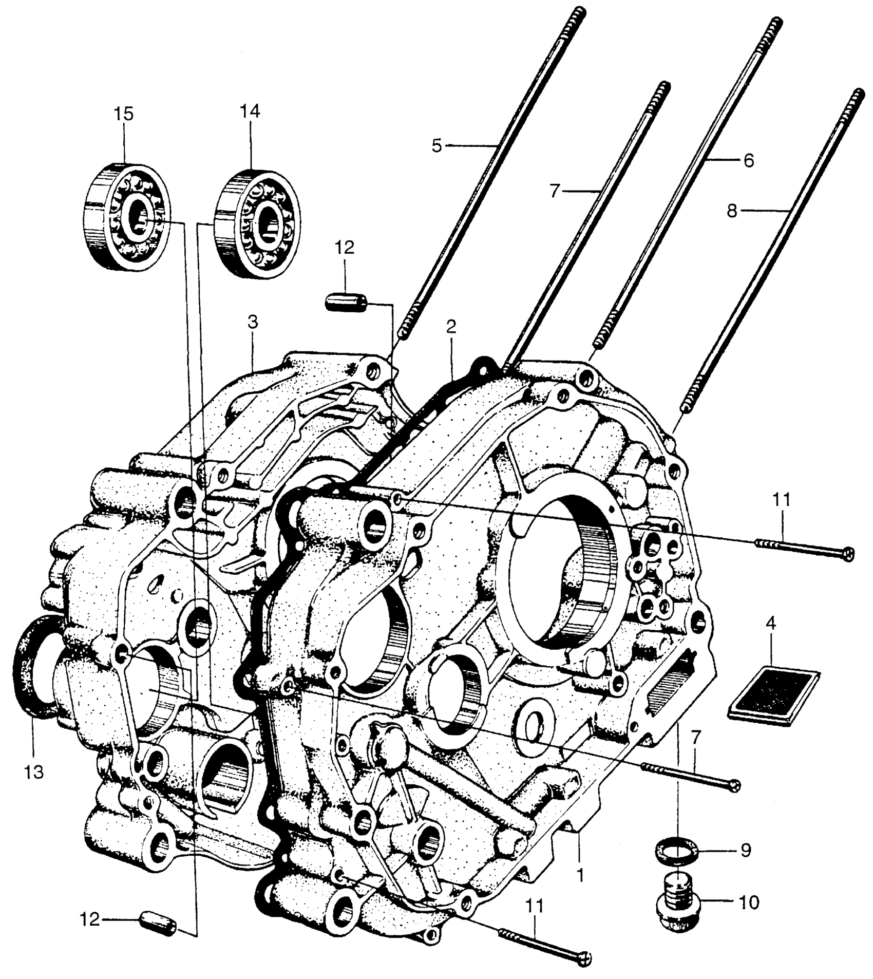
Honda CM91A MOTORCYCLE, JPN, VIN# CM91-100001 CRANKCASE + CYLINDER STUD Diagram
#
Description
Price
1
CRANKCASE, R. (NOT AVAILABLE) | Use up to Engine SN 138914
11100-052-010
Unavailable
1
CRANKCASE, R. | Use from Engine SN 138915
11100-052-020
Unavailable
2
GASKET, CRANKCASE This part replaces 11191-052-000.
11191-052-306
Unavailable
3
CRANKCASE, L.
11200-052-000
Unavailable
5
BOLT A, CYLINDER STUD
90031-028-010
Unavailable
6
BOLT B, CYLINDER STUD
90032-028-020
Unavailable
7
BOLT C, CYLINDER STUD (NOT AVAILABLE)
90033-046-000
Unavailable
8
BOLT D, CYLINDER STUD (NOT AVAILABLE)
90034-046-000
Unavailable
13
OIL SEAL (20X34X7)
91201-030-015
Unavailable
