- Partiron
- OEM Parts
- Honda
- MOTORCYCLE
- Models With No Year
- CA72A MOTORCYCLE, JPN, VIN# C72-100001
GEAR CHANGE
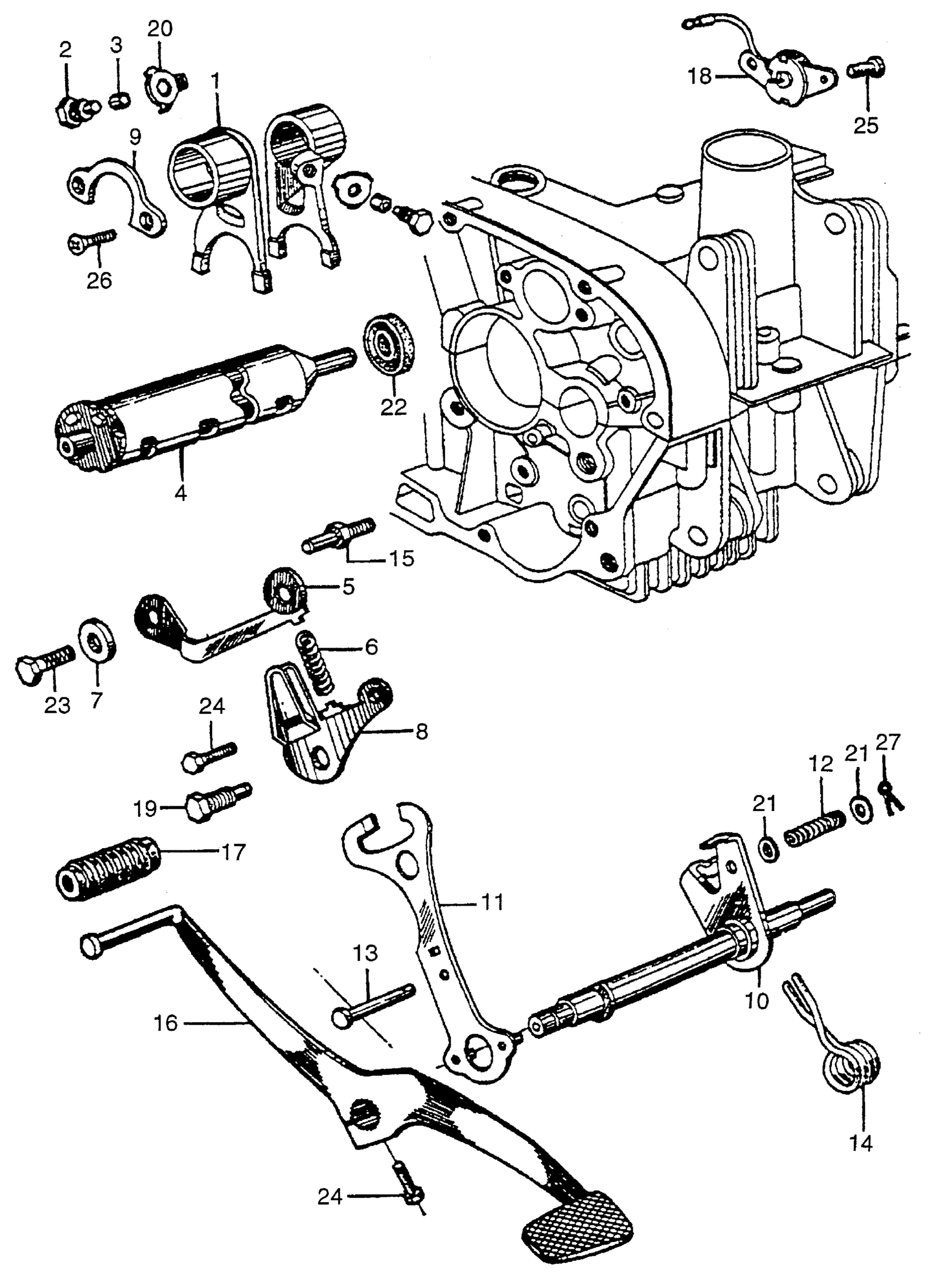
Honda CA72A MOTORCYCLE, JPN, VIN# C72-100001 GEAR CHANGE Diagram
#
Description
Price
1
FORK, GEARSHIFT (NOT AVAILABLE)
24211-268-000
Unavailable
2
PIN, SHIFT FORK GUIDE (NOT AVAILABLE)
24261-253-010
Unavailable
3
ROLLER, SHIFT FORK GUIDE PIN (NOT AVAILABLE)
24262-253-000
Unavailable
4
DRUM, GEARSHIFT (NOT AVAILABLE)
24301-268-000
Unavailable
5
STOPPER, SHIFT DRUM (NOT AVAILABLE)
24430-268-000
Unavailable
6
SPRING, SHIFT DRUM STOPPER (NOT AVAILABLE)
24435-250-000
Unavailable
7
COLLAR, STOPPER ARM DISTANCE (NOT AVAILABLE)
24438-259-000
Unavailable
8
GUIDE, SHIFT DRUM (NOT AVAILABLE)
24440-268-000
Unavailable
9
PLATE, SHIFT DRUM SETTING (NOT AVAILABLE)
24455-268-000
Unavailable
10
SPINDLE, GEARSHIFT | Use up to Engine SN 0110050
24610-259-020
Unavailable
10
SPINDLE, GEARSHIFT | Use from Engine SN 0110051
24610-259-030
Unavailable
12
SPRING, SHIFT ARM (NOT AVAILABLE)
24641-250-010
Unavailable
13
PIN, SHIFT ARM SPRING (NOT AVAILABLE)
24642-250-000
Unavailable
14
SPRING, GEAR C (NOT AVAILABLE)
24651-250-000
Unavailable
16
PEDAL, GEARSHIFT (NOT AVAILABLE) This part replaces 24701-262-000.
24701-262-010
Unavailable
16
PEDAL, GEARSHIFT (NOT AVAILABLE)
24701-262-010
Unavailable
18
SWITCH ASSY., NEUTRAL (NOT AVAILABLE)
35750-268-000
Unavailable
19
BOLT, KICK STARTER STOPPER (NOT AVAILABLE)
90028-259-000
Unavailable
20
WASHER, SHIFT FORK LOCK (NOT AVAILABLE)
90416-250-000
Unavailable
21
WASHER, SHIFT ARM SPRING (NOT AVAILABLE)
90418-253-000
Unavailable
26
SCREW, FLAT (6X18) (SOURCE: VINTAGE PARTS INC.)
93600-06018
Unavailable
